EasyManua.ls Logo

DAB E2D 2,6 M - Page 133

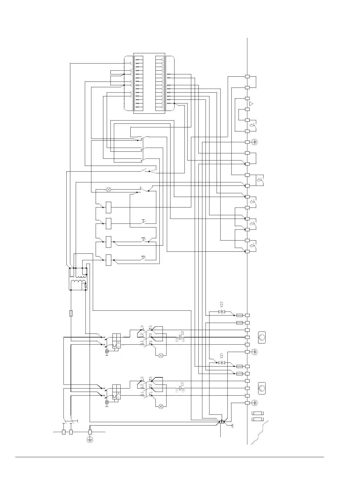
DAB E2D 2,6 M
Print Icon
To Next Page IconTo Next Page
To Next Page IconTo Next Page
To Previous Page IconTo Previous Page
To Previous Page IconTo Previous Page
Loading...
131
E2D 6 M
L1
N
1
2
3
1
4
2
-QS1
-QM1
N1
N2
-KM1
-HL3
-QM2
-KM2
-HL6
PIASTRA
PLATA
14-
C
A
P
K K
C
A
P
K K
P1
P2
FU3 P1-0.2A
FU4 P1-0.2A
FU3 P2-0.2A
FU4 P2-0.2A
A
B
C
N
O
P
Q
R
< 8A
< 250V
1
2
3
4
5
6 2 1
22 23
24
25 2 6
31
32 3 5
36
-KM1
-KM2 -KA1
-KA1
A1
A2A2
A1
A2
A1
A1
A2
-SA1
-SB1
-SB2
-KA2
-KA2
11
14
22
21
24
-KA1
12
11
10
4 3 28 7
6
-XC2
-XC1
-XC2 -XC1
-KL1
SZ2
7
4
5
8
10
11
13
2
1
3
4
5
6
7
8
9
10
11
12
13
14
1
2
3
4
5
6
7
8
9
10
11
12
13
14
3
2
4
5
6
7
9
10
-FU1 1A
1
2
0
24
230
0
-TC1
24
230
Ex0
0
0
0
0
24
24
30VA
3VA
0
-HL2
N1
N2

Table of Contents

Related product manuals