EasyManua.ls Logo

DAB E2D 2,6 M - Page 134

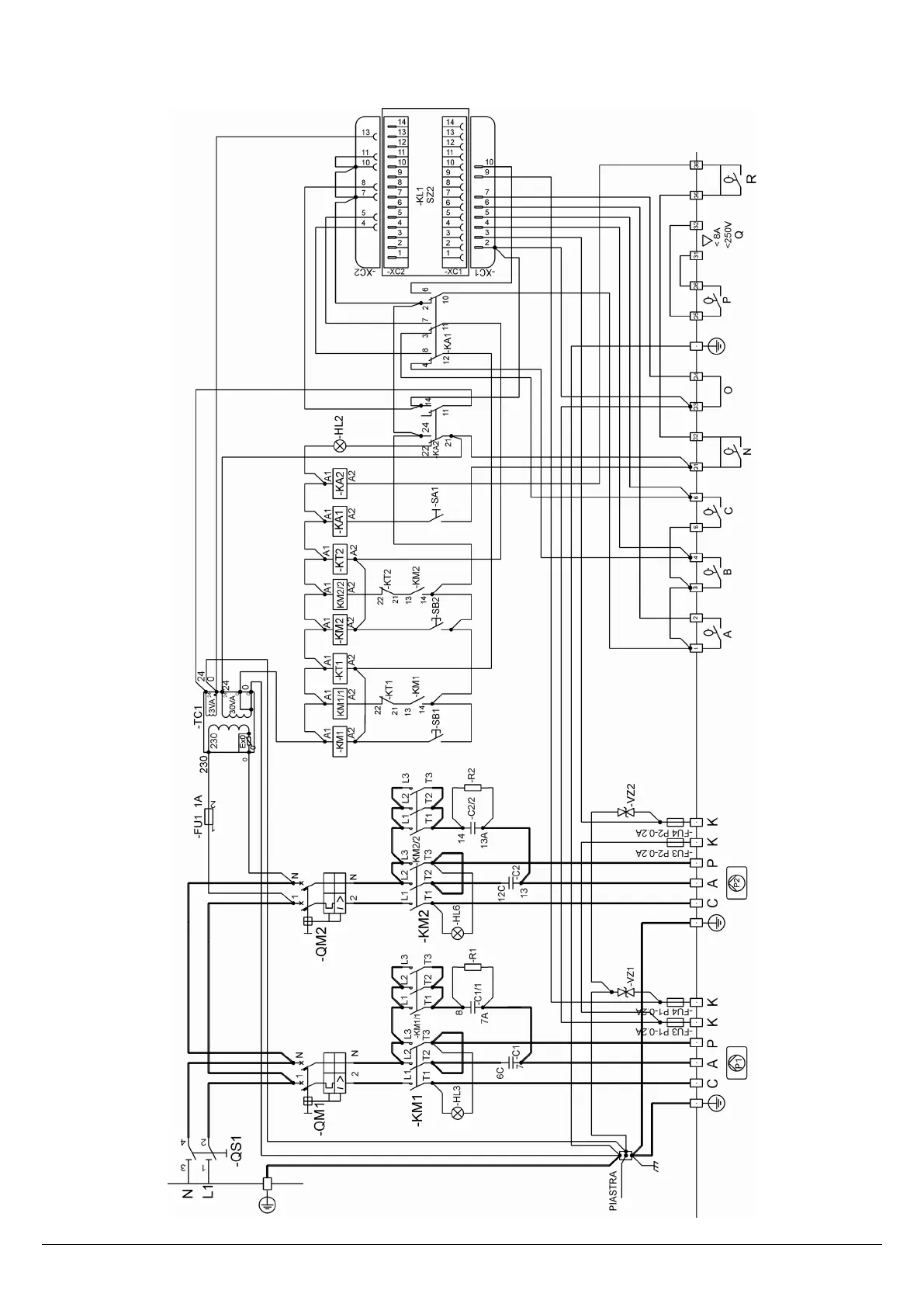
DAB E2D 2,6 M
Print Icon
To Next Page IconTo Next Page
To Next Page IconTo Next Page
To Previous Page IconTo Previous Page
To Previous Page IconTo Previous Page
Loading...
132
E2D 6 M HS

Table of Contents

Related product manuals