EasyManua.ls Logo

DAB E2D 2,6 M - Page 135

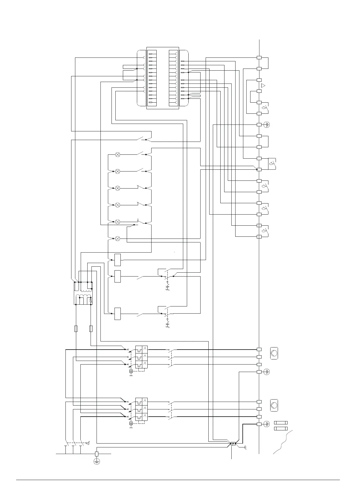
DAB E2D 2,6 M
Print Icon
To Next Page IconTo Next Page
To Next Page IconTo Next Page
To Previous Page IconTo Previous Page
To Previous Page IconTo Previous Page
Loading...
133
E2D 2 T - E2D 3 T
400
0 0
-TC1
-QS1
Q
I I I
1
2
3
4
5
6
-QM1
I I I
1
2
3
4
5
6
-QM2
A2
A1
-KM1
A2
A1
-KM2
31
32
-QM1
21
22
-QM2
L1
T1
L2
T2
L3
T3
-KM1
L1
T1
L2
T2
L3
T3
-KM2
-HL1 -HL6
-HL4
-HL5
21
L1
L2
L3
43
44
-QM1
43
44
-QM2
0 21
-SA1
-SA2
-HL3
-HL2
M23
M24
A13
A14
M23
M24
A13
A14
0
C
N
O P
P1
P2
-FU1 1A
-FU2 1A
A B
4
321
U V W U V W
PIASTRA
SZ2
-KL1
-XC2
-XC1
32
312 624 25
222165
-KM1
-KM2
13
14
14
13
(13)
(14)
(13)
(14)
(21) (21)
(22) (22)
-XC2 -XC1
< 8A
< 250V
R
3635
22
21
-KA1
-KA1
11
14
A2
A1
-KA1
1 3 5
642
1
2
1
2
7
4
5
8
10
11
13
1
2
3
4
5
6
7
8
9
10
11
12
13
14
1
2
3
4
5
6
7
8
9
10
11
12
13
14
2
3
4
5
6
7
9
10
11
12
24
0
24
400
Ex0
0
0
0
0
24
24
30VA
3VA
230
Ex
24
PLATE
14-
23

Table of Contents

Related product manuals