EasyManua.ls Logo

DACE HT18/36 - External Radio Receiver & Loop Detector

DACE HT18/36
52 pages
Print Icon
To Next Page IconTo Next Page
To Next Page IconTo Next Page
To Previous Page IconTo Previous Page
To Previous Page IconTo Previous Page
Loading...
21
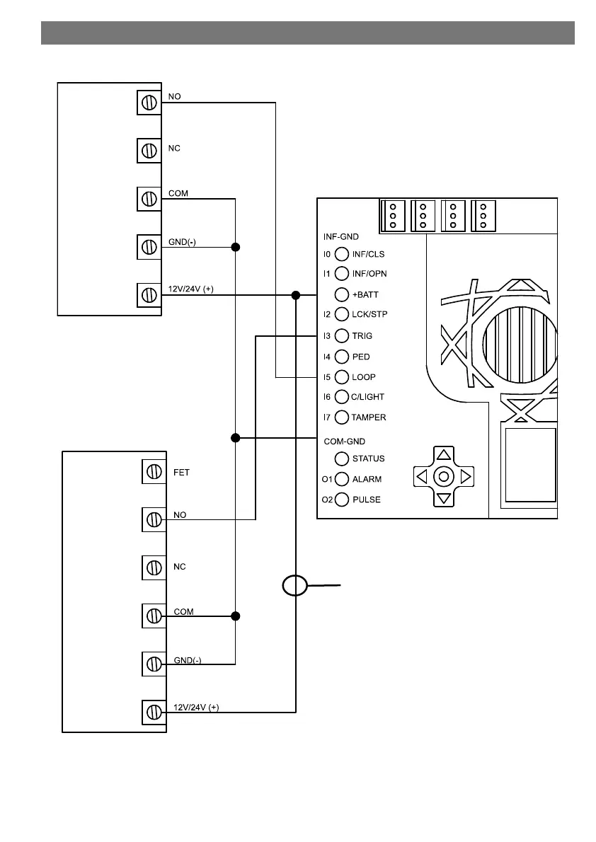
RADIO RECEIVER
LOOP DETECTOR
MAX. LOAD
300mA
EXTERNAL RADIO RECEIVER & LOOP DETECTOR

Table of Contents

Related product manuals