EasyManua.ls Logo

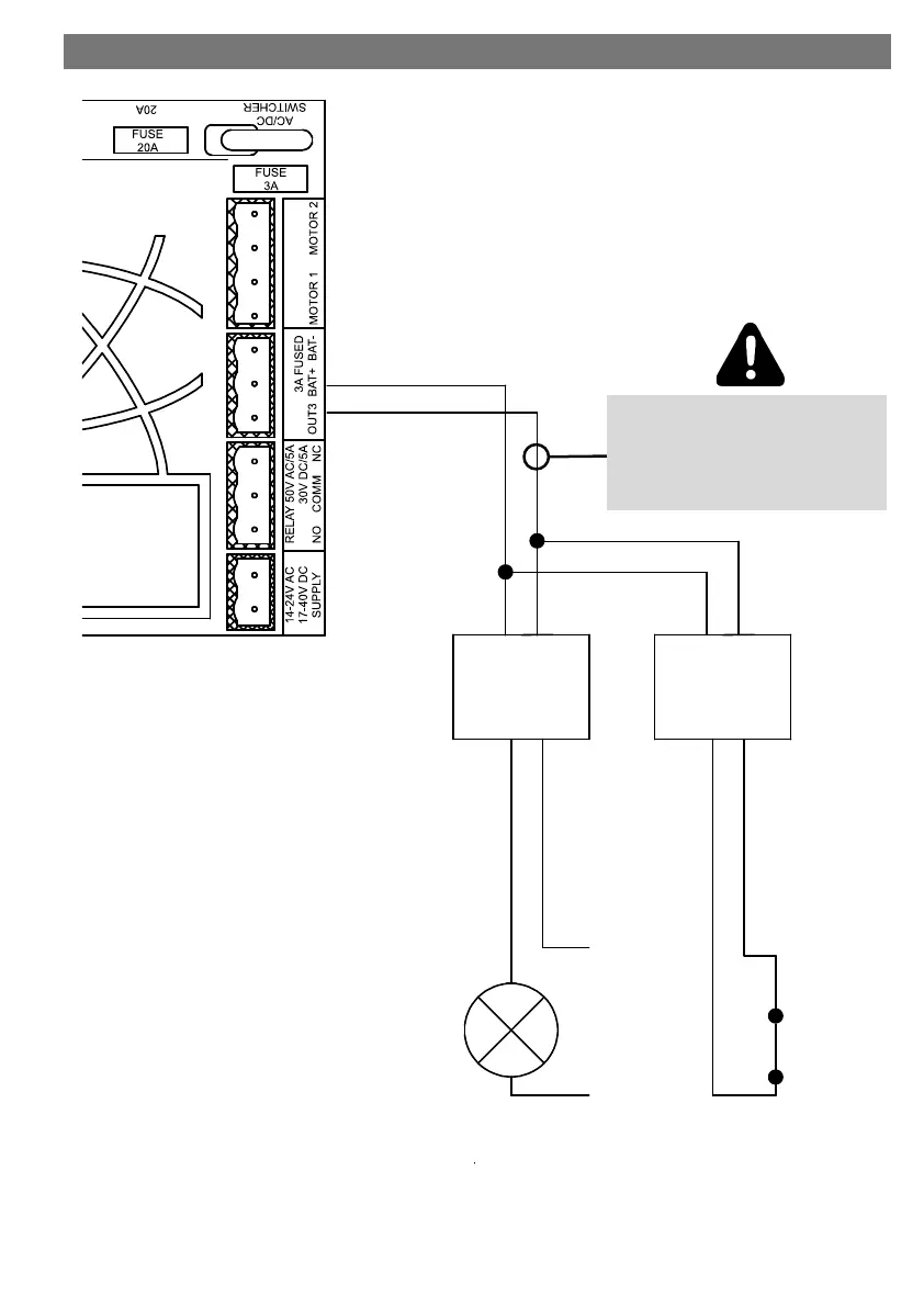
DACE HT18/36 - Connection for Relay Module

DACE HT18/36
52 pages
Print Icon
To Next Page IconTo Next Page
To Next Page IconTo Next Page
To Previous Page IconTo Previous Page
To Previous Page IconTo Previous Page
Loading...
25
OUTPUT DEPENDANT ON VOLTAGE
OF BATTERY FITTED.
ENSURE ALL EXTERNAL DEVICES ARE
CORRECTLY RATED.
MAX. LOAD of 100mA
DACE
Relay Module
DACE
Relay Module
LIGHT
ZONE
BYPASS
L
N
CONNECTION FOR RELAY MODULE

Table of Contents

Related product manuals