EasyManua.ls Logo

DACE HT18/36 - Connecting Common External Devices

DACE HT18/36
52 pages
Print Icon
To Next Page IconTo Next Page
To Next Page IconTo Next Page
To Previous Page IconTo Previous Page
To Previous Page IconTo Previous Page
Loading...
24
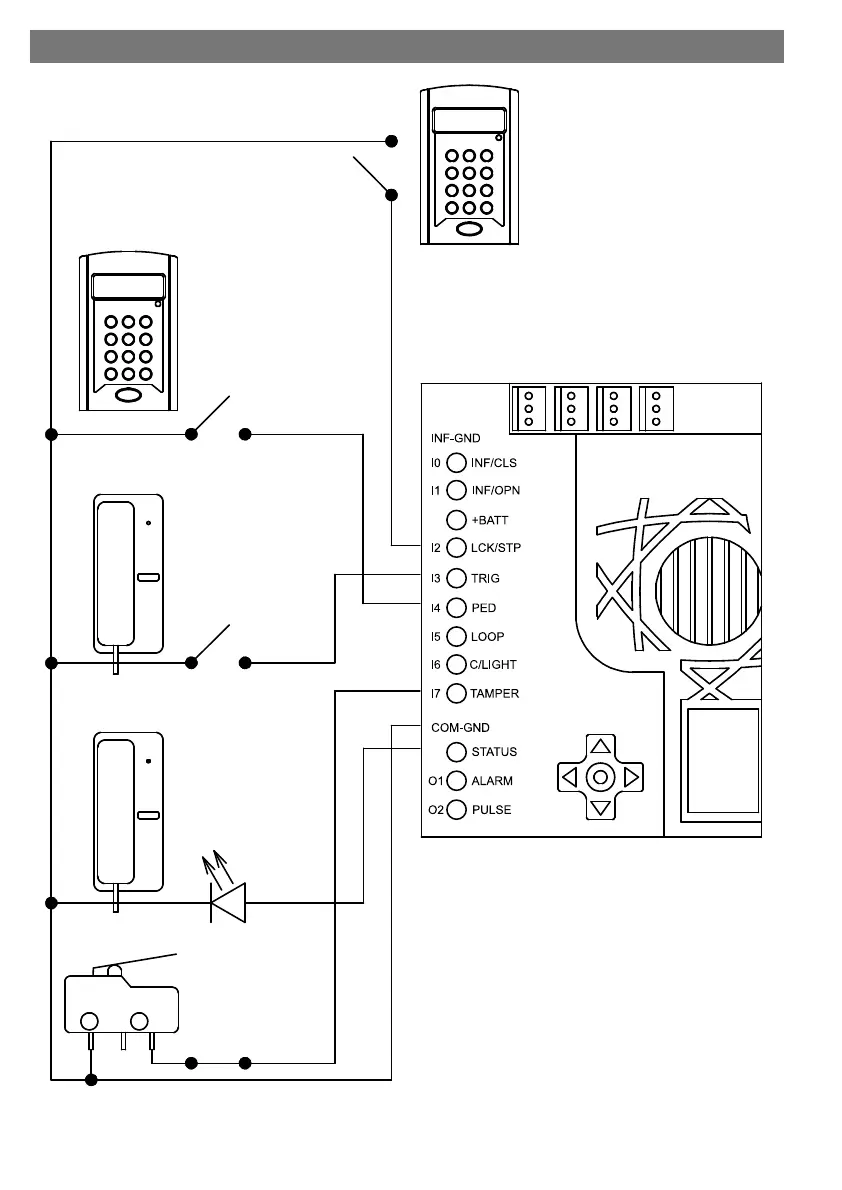
HOLIDAY LOCK OUT
(Keypad, Receiver,
Keyswitch)
N/O
(Normally Open)
N/O
(Normally Open)
N/O
(Normally Open)
N/C
(Normally Closed)
Tamper Switch is
CLOSED when the
lid is removed
PEDESTRIAN OPENING
(Keypad, Receiver,
Keyswitch)
FULL OPEN
(Intercom)
STATUS LED
(Intercom)
TAMPER SWITCH
CONNECTING COMMON EXTERNAL DEVICES

Table of Contents

Related product manuals