EasyManua.ls Logo

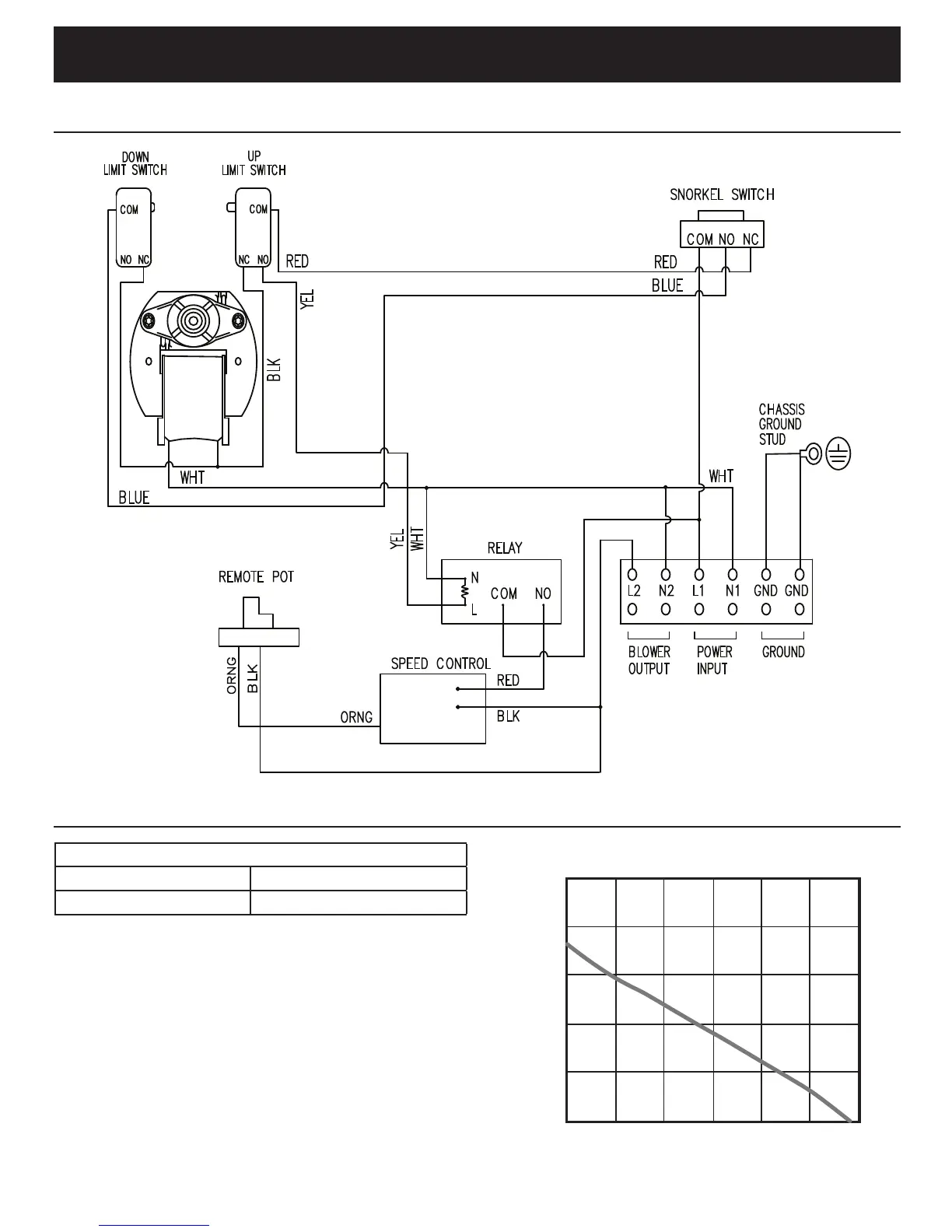
Dacor ERV3015 - Wiring Diagram - All Models; CABP3 Cabinet Blower Ratings

Dacor ERV3015
20 pages
Print Icon
To Next Page IconTo Next Page
To Next Page IconTo Next Page
To Previous Page IconTo Previous Page
To Previous Page IconTo Previous Page
Loading...
17
Technical Data
STUD
CHASSIS
GROUND
GROUNDPOWER
INPUT
BLOWER
OUTPUT
GNDL2 N1L1N2 GND
COM
COM
NO
NO
UP
LIMIT SWITCH
DOWN
LIMIT SWITCH
COM NCNO
NC
NC
REMOTE POT
SNORKEL SWITCH
COM
N
NO
RELAY
SPEED CONTROL
RED
RED
BLUE
BLUE
RED
BLK
ORNG
ORNG
BLK
YEL
YEL
WHT
L
BLK
WHT
WHT
Wiring Diagram - All Models
CABP3 Cabinet Blower Ratings
CABP3 Cabinet blower Airflow*
Nominal 600 CFM
Actual 585.6 CFM
* At zero inches static pressure. Performance varies based
on duct system configuration.
Electrical Rating: 4 Amps. @ 120 Vac, 60 Hz.
For ILHSF or REMP series blower ratings, see the blower
installation instructions.
Airflow CFM (Cubic feet/minute)
Static pressure - inches of water
0
1.0
2.0
3.0
4.0
5.0
100 200 300 400 500 600
CABP3 Blower Performance

Other manuals for Dacor ERV3015

Related product manuals