EasyManua.ls Logo

Dacor PMOR30B - Page 13

Dacor PMOR30B
46 pages
Print Icon
To Next Page IconTo Next Page
To Next Page IconTo Next Page
To Previous Page IconTo Previous Page
To Previous Page IconTo Previous Page
Loading...
11
PMOR30B
PMOR30R
PMOR30S
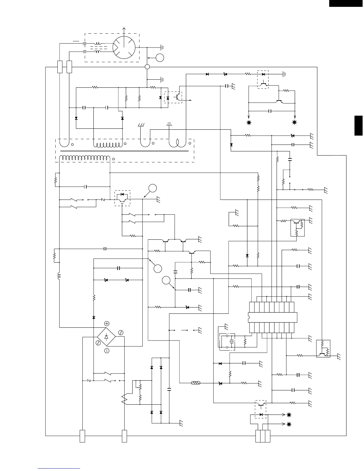
Figure O-3. Inverter Unit Circuit
M
AC3
PWM
MCK
VS
MCK
(CN-A)
VS
(CN-A)
CN-A
OSC
OSC
EN
INT
PA
GND
Q50
AGND
VP0
VCC
OUT
VS
VP2
4.7K
39K
VP1
IA
1
1
1
9
10
18
2
2
3
3
4
MAGNETRON
T1
P1
P2
H2
S2
M2
M1
Q70
VC
VC
S1
H1
D11
D16
D50
D12
0.3µ / 580V
C3
0.03µ
2800V
C11
0.06µ
3100V
C12
1000p/ 50V
C21
VRS3
L2
Q1
120M
(H.V.RESISTOR)
R11
100
1
R103
PD2
D17
ZD70
D1
RBV-2506
39K
R2
100µ / 35V
0.9µ / 200V
- +
C35
1000p / 50V
C61
C2
(J2)
R101
2.2/ 1W
R102
D100
2.2/ 1W
VRS2
47K
1.2KF
4.7K
1M
R20
R35
R62
1.8K
R44
36K
1/2W
R43
33K
1/2W
R42
R55
4.7K
R5
CF1
8MHZ
1.3K/ 5W
1/ 2W 33K
R31
R73
(R72)
D22
D23
D32
D20
h
fe
g
D21
VR1
330
0.01µ/16V
C20
0.01µ/50V
2.2KF
R54
5.6KF
C50
100p/50V
C4
ZD33ZD32
R61
300F
R50
(ZD50)
ZD40
10K
R56
100K
R71
1.5K
R22
120K
R63
R63
4.7K
R30
1.2K
1/2W
R34
4.7K
R6
1.3KF
R51
10K
R40
47
R70
Q4
Q3
Q2
10K
R4
R25 TH2
ZD30
ZD31
D30
PD1
PH1
BF20
IC1 LR38166
(IZA406DR)
10µ / 50V
- +
C62
39K
R24
1µ / 50V
- +
C24
C40
18K
R21
430
R45
220p / 50V
C41
100p / 50V
1µ / 50V
- +
C31
1000p / 50V
C30
F
FA
2
4
3
0.1µ/ 25V
C70
VR
VC
VE
Q51
1
4
2
3
PD3

Related product manuals