EasyManua.ls Logo

Dacor PMOR30B - Power Unit Circuit

Dacor PMOR30B
46 pages
Print Icon
To Next Page IconTo Next Page
To Next Page IconTo Next Page
To Previous Page IconTo Previous Page
To Previous Page IconTo Previous Page
Loading...
42
PMOR30B
PMOR30R
PMOR30S
6
45
1
2
3
6
45
1
2
3
A
B
C
D
E
F
G
H
A
B
C
D
E
F
G
H
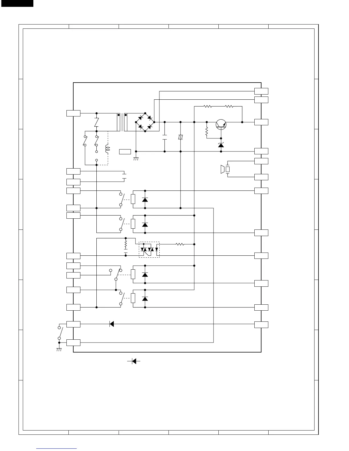
Figure S-2. Power Unit Circuit
A 5
T1
RY1
RY2
RY4
RY3
R2 91 1w
CN-A
CN-B
CN-E
CN-C
12pin WIRE
HARNESS
AC
AC
INV. COM
OVEN LAMP
FAN MOTOR
STIRRER
MOTOR
INV. COM
OVEN LAMP
FAN MOTOR
STIRRER
MOTOR
TURNTABLE
MOTOR
TURNTABLE
MOTOR
AC120V
60Hz
MOTOR
RUN
CAPACITOR
INT
VR
VA
GND
BZ/EN
BZ
HOOD LAMP
HOOD LAMP
HOOD MOTOR
HOOD MOTOR
HIGH/LOW
HOOD THERMO
HOOD MOTOR
STOP
SWITCH
STOP
SWITCH
LOW
HIGH
COM.
HOOD MOTOR
COM.
R20 1k 1/2w
R110 47 1/2w
SSR1
Q1
2SD1859
R3 91 1w
VRS1
(J1)
C1 0.1µ/50v
C100
7µ/230v
C110 0.033µ/250v
C2 1000µ/35v
R1 2.4k
D21D22D23D24
SP30
ZD1
HZ-16-1
10G471K
a
3
1
5
7
b
c
d
D1
S1NB10
GND
D20
C 7
C 1
C 2
C 8
C 4
C 9
C11
C 5
C 3
C 6
C10
C12
A 1
A 3
N.O.
COM
A 7
B 9
B 1
B 3
B 5
B 7
NOTE : : IF NOT SPECIFIED, 1SS270A
E 1
E 2
+

Related product manuals