EasyManua.ls Logo

Daewoo AMI-225M - Wiring Diagram; System Interconnections Overview

Daewoo AMI-225M
29 pages
Print Icon
To Next Page IconTo Next Page
To Next Page IconTo Next Page
To Previous Page IconTo Previous Page
To Previous Page IconTo Previous Page
Loading...
- 8 -
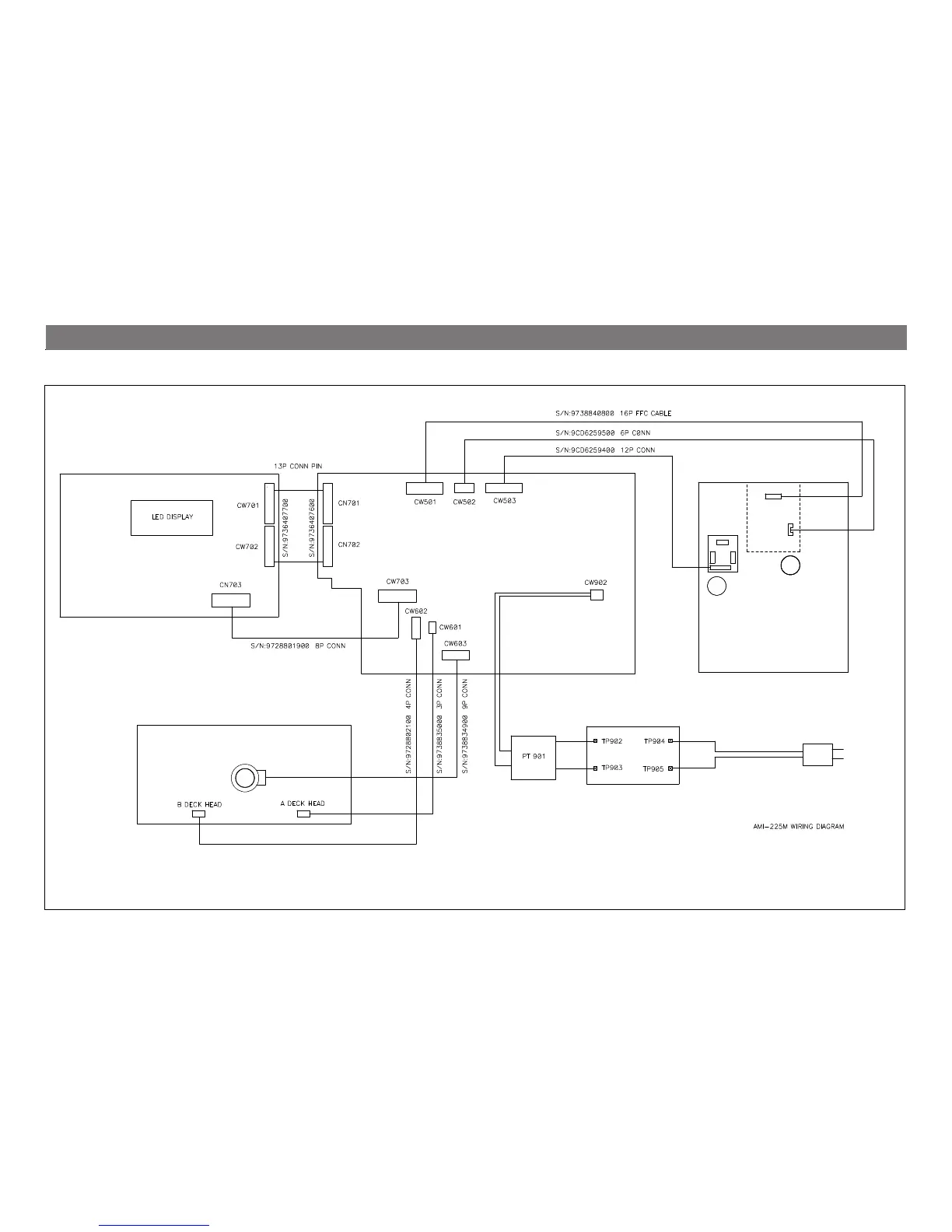
AMI-225M/MU, 325M/MU
A3A3
CASETTE DECK
M
M
FRONT PCB ASSY
S/N :
MAIN PCB ASSY
S/N :
POWER TRANS
Pick-Up
FUSE PCB ASSY
S/N :
MM
CD MECHA. ASS'Y
MM
AC CORD
WIRING DIAGRAM

Related product manuals