EasyManua.ls Logo

Daewoo D50S-2 - Disassembly

Daewoo D50S-2
99 pages
Print Icon
To Next Page IconTo Next Page
To Next Page IconTo Next Page
To Previous Page IconTo Previous Page
To Previous Page IconTo Previous Page
Loading...
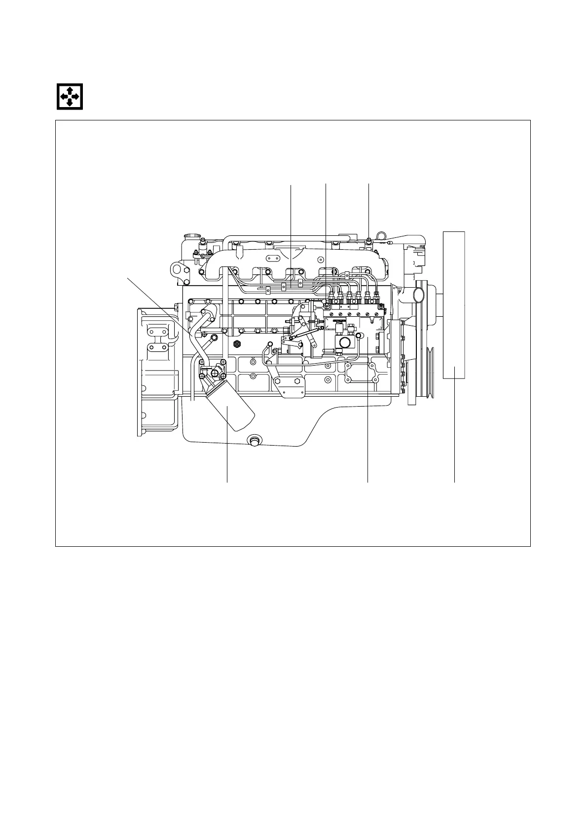
2.2. Disassembly
2.2.1. External Parts
- 25 -
3
167
5
4 2
EJM2004I
<Disassembly Steps>
1. Cooling fan
2. Fuel retrun pipe
3. Injection pipe
4. Injection nozzle
5. Injection pump
6. Oil pipe (Oil filter to oil cooler)
7. Oil filter
3
2 4
1
5
7
6

Related product manuals