EasyManua.ls Logo

Daewoo D70S-2 - 5.4.2. Injection Pump Disassembly

Daewoo D70S-2
99 pages
Print Icon
To Next Page IconTo Next Page
To Next Page IconTo Next Page
To Previous Page IconTo Previous Page
To Previous Page IconTo Previous Page
Loading...
- 90 -
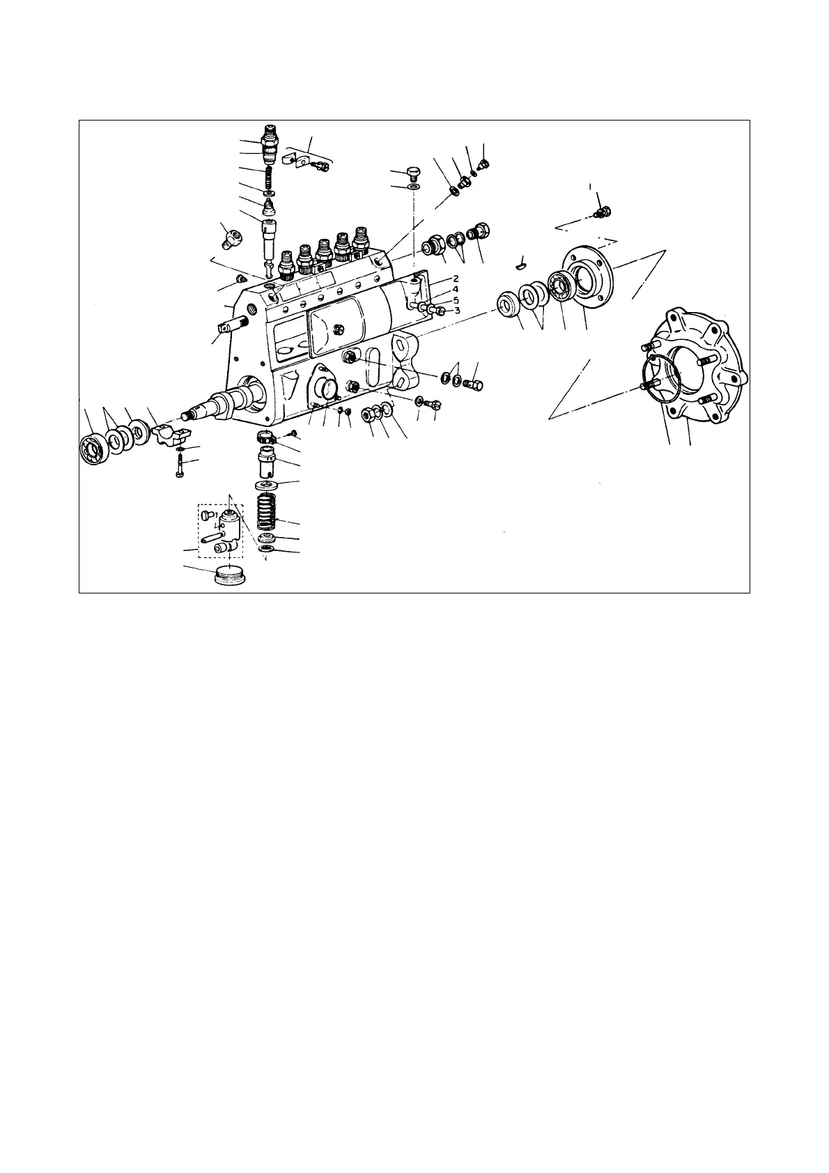
5.4.2. Injection Pump Disassembly
EJM5018S
1. Pump Housing 56. Shim 117a. Pipe connectin bolt
2. Cove assembly 61. Plunger spring 118a. Gasket
3. Bolt : Cover 62. Seat : plunger spring(Upper) 121. Screw Plug
4. O-ring 63. Seat : plunger spring(Lower) 122. Gasket
5. Gasket 67. Control rack 130. Connector
16. Screw plug 68. Rack stop bolt 130a. Adapter air breather
18. Stud bot 76. Pinion 131a. Bolt
20. Spring washer 77. Sleeve ; control 132a. Gasket
21. Nut 78. Bolt ; pinion clamp 133a. Gasket
23. O-ring 90. Camshaft 145. Screw Plug
30. Plunger 91.91a. Taper roller bearing 146. Gasket
36. Delivery valve 92.92a. Camshaft ring 152. Pipe connection bolt
37. Delivery valve spring 93.93a. Shim 154. Packing
40. Delivery valve gasket 95. Center bearing 191. Bracket
41. Delivery valve holder 101a. Bearing cover 192. O-ring
45. Valve Holder lock plate 104a. Bolt 194. Washer
assembly 112a. Woodruf key 195. Spring washer
49. O-ring 115a. Adapter 196. Nut
55. Tappet
41
45
145
146
132a
133a
131a
115a
118a
117a
104a
112a
92a
93a
91a
101a
49
37
40
36
130
324
323
196
195
194
122
121
192
191
154
152
30
68
1
67
91
93
92
95
55
16
56
63
61
62
77
76
78
18
23
20
21
196
130a

Related product manuals