EasyManua.ls Logo

Daewoo DLT-19W4 - Page 50

Daewoo DLT-19W4
74 pages
Print Icon
To Next Page IconTo Next Page
To Next Page IconTo Next Page
To Previous Page IconTo Previous Page
To Previous Page IconTo Previous Page
Loading...
G
G
zjolth{pj
49
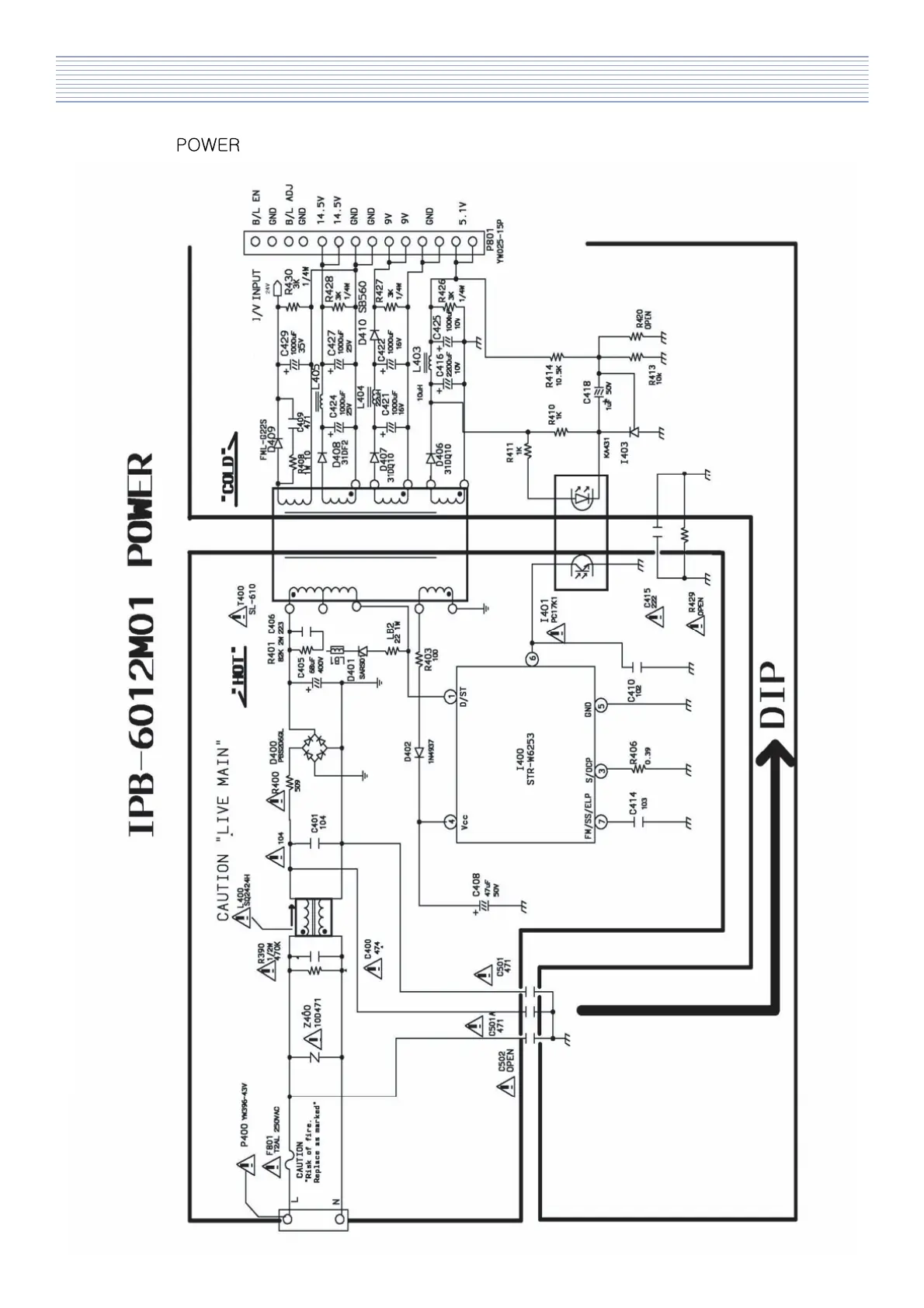
Schematic - Power

Related product manuals