EasyManua.ls Logo

Daewoo DLT-19W4 - Page 54

Daewoo DLT-19W4
74 pages
Print Icon
To Next Page IconTo Next Page
To Next Page IconTo Next Page
To Previous Page IconTo Previous Page
To Previous Page IconTo Previous Page
Loading...
ٻ
ٻ
ڮڞڣڠڨڜگڤڞ
53
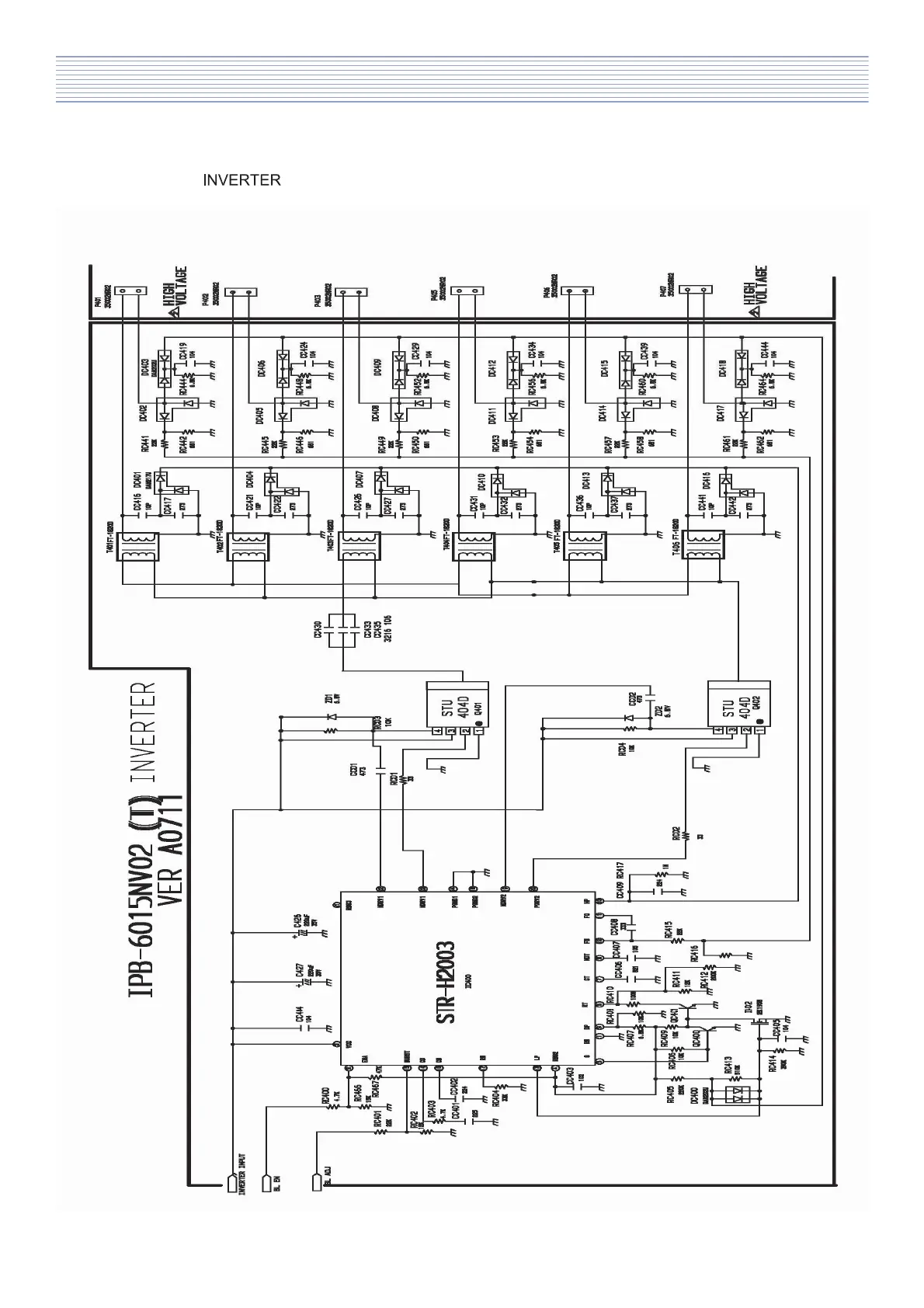
Schematic - Inverter

Related product manuals