EasyManua.ls Logo

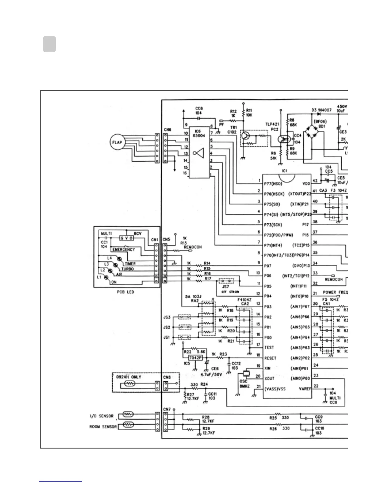
Daewoo DSB-123PH - Pcb Circuit Diagram

Daewoo DSB-123PH
147 pages
Print Icon
To Next Page IconTo Next Page
To Next Page IconTo Next Page
To Previous Page IconTo Previous Page
To Previous Page IconTo Previous Page
Loading...
1
PCB CIRCUIT DIAGRAM
* DSB-092A, AH

Related product manuals