EasyManua.ls Logo

Daewoo DTY-21B4 - Page 29

Daewoo DTY-21B4
85 pages
Print Icon
To Next Page IconTo Next Page
To Next Page IconTo Next Page
To Previous Page IconTo Previous Page
To Previous Page IconTo Previous Page
Loading...
CP-520/520A/520F Service Manual
DTV R&D Europe
28
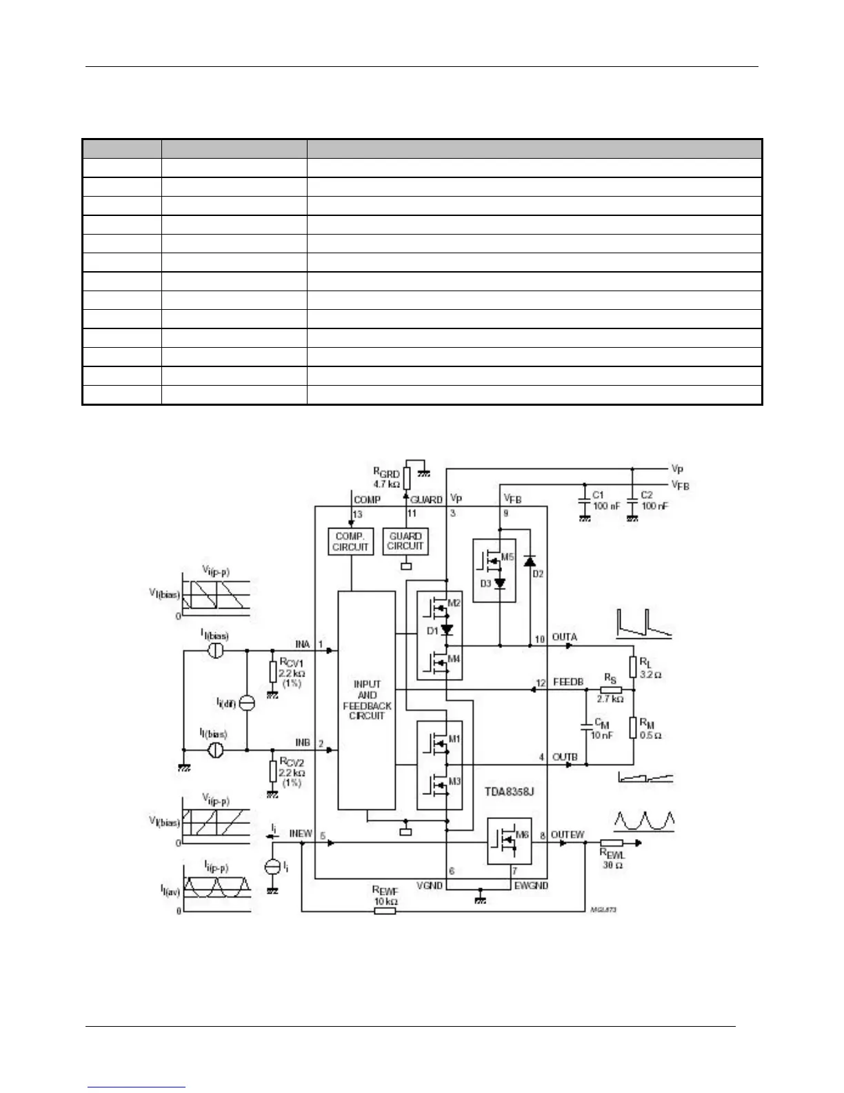
Pinning
Pin Symbol Description
1 INA Positeve vertical input
2 INB Negative vertical input
3 V
P
Supply voltage
4 OUTB Vertical output voltage B
5 INEW East-west input voltage
6 VGND Vertical ground
7 EWGND East-west ground
8 OUTEW East-west output voltage
9 V
FB
Flyback supply voltage
10 OUTA Vertical output voltage A
11 GUARD Guard output voltage
12 FEEDB Input measuring resistor
13 COMP Input compensation current
Block diagram TDA8358J

Table of Contents

Related product manuals