EasyManua.ls Logo

Daewoo DTY-21B4 - STR - F6653

Daewoo DTY-21B4
85 pages
Print Icon
To Next Page IconTo Next Page
To Next Page IconTo Next Page
To Previous Page IconTo Previous Page
To Previous Page IconTo Previous Page
Loading...
CP-520/520A/520F Service Manual
DTV R&D Europe
31
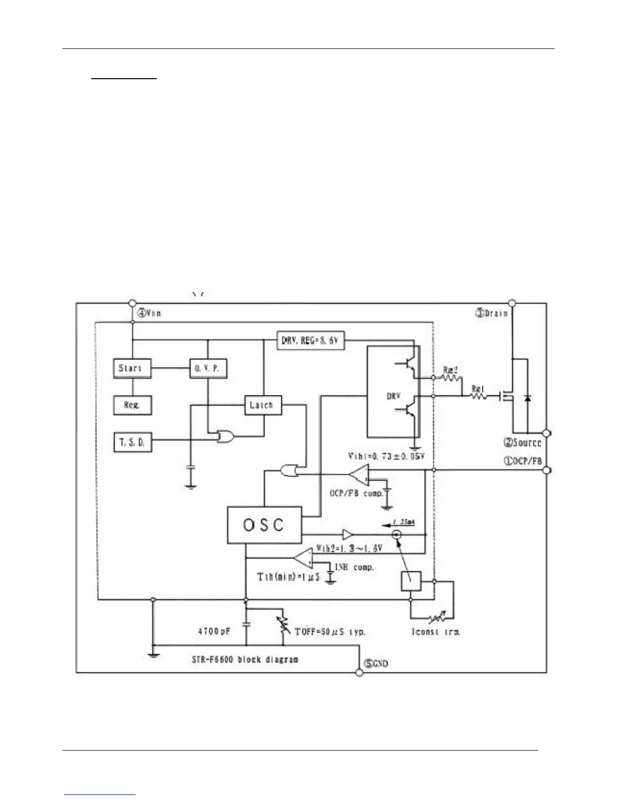
4.6 STR - F6653
4.6.1 GENERAL DESCRIPTION
The STR-F6653 is an hybrid IC with a build-in MOSFET and control IC, designed for flyback
converter type switch mode power supply applications.
4.6.2 FEATURES
§ Small SIP fully isolated moulded 5 pins package
§ Many protection functions :
v Pulse-by-pulse overcurrent protection (OCP)
v Overvoltage protection with latch mode (OVP)
v Thermal protection with latch mode (TSD)
4.6.3 BLOCK DIAGRAM

Table of Contents

Related product manuals