EasyManua.ls Logo

Daewoo DWF-1095 E Series - Page 25

Daewoo DWF-1095 E Series
37 pages
Print Icon
To Next Page IconTo Next Page
To Next Page IconTo Next Page
To Previous Page IconTo Previous Page
To Previous Page IconTo Previous Page
Loading...
47 48
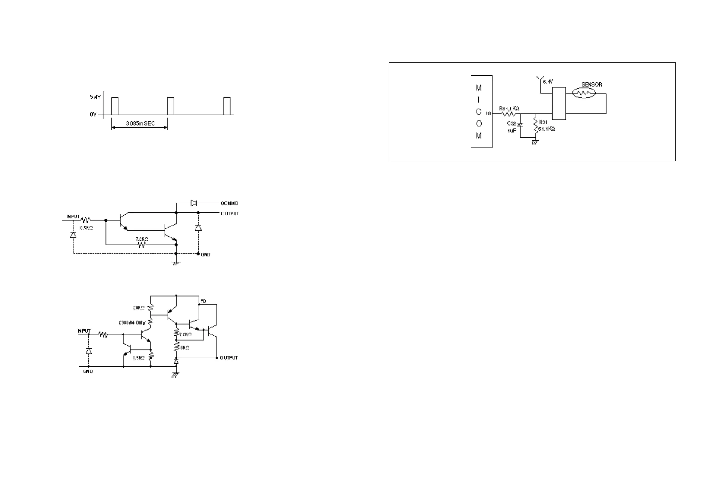
TEMPERATURE SENSOR UNIT
1. CIRCUIT DIAGRAM
2. EXPLANATION OF CIRCUIT
To use resistor for temperature detection, the value of R31 was decided to the center value of
temperature bandwidth (-20~70°C), that is, resistance of temperature sensor is 51.35 K at 25°C.
Therefore the value of R31 was decided to 51.5 K, F(1%).
C15 used electrolytic condensor (1µF) to remove noise and to stabilize the voltage.
3. CAUTION FOR A/S
1. HOW TO CHECK TEMPERATURE SENSOR.( Reference to TEST MODE)
If the L.E.D displays ‘LO’ or ‘HI’, there is some trouble with the temperature sensor.
In this case, the processing is designed to perform normal processing. Before change temperature
sensor, check the connector and temperature sensor.
2. There is function to give up role of temperature sensor forcibly.
At the first condition in TEST MODE press the RESERVATION button. And after change data by
SOAK button, press START/HOLD button.
If so, data input. (11 : perform to temperature sensor, 22 : give up temperature sensor)
3. In the FUZZY course (WASH:14min, RINSE : 2Times, SPIN:5min, COOL WATER SELECTION) the
total processing time can be changed by water temperature.
2. EXPLANATION OF CIRCUIT
The MICOM terminal No. 33~40 amplifies the source current to produce the ‘H’ by use of the buffer
UDX-2981A. And the MICOM terminal No. 43~54 sufficiently amplifies the sink current by use of the
DRIVE I.C. ULN-2004A.
The waveform between the part of 1 and the GND(part of the DUTY)
The division rate of the DUTY is 1/9. And as part of the DUTY treats the black time between the square
waves, it prevents the phenomenon of faint lighting of L.E.D unnecessarily due to the phenomenon of
fold in delay time of the IC 8 between the input and output.
The equivalent circuit of DRIVE IC & BUFFER IC
If the light of the DISPLAY unit is does not appear, check the circuit using the oscilloscope.
ULN-2004A
UDN-2981A

Related product manuals