EasyManua.ls Logo

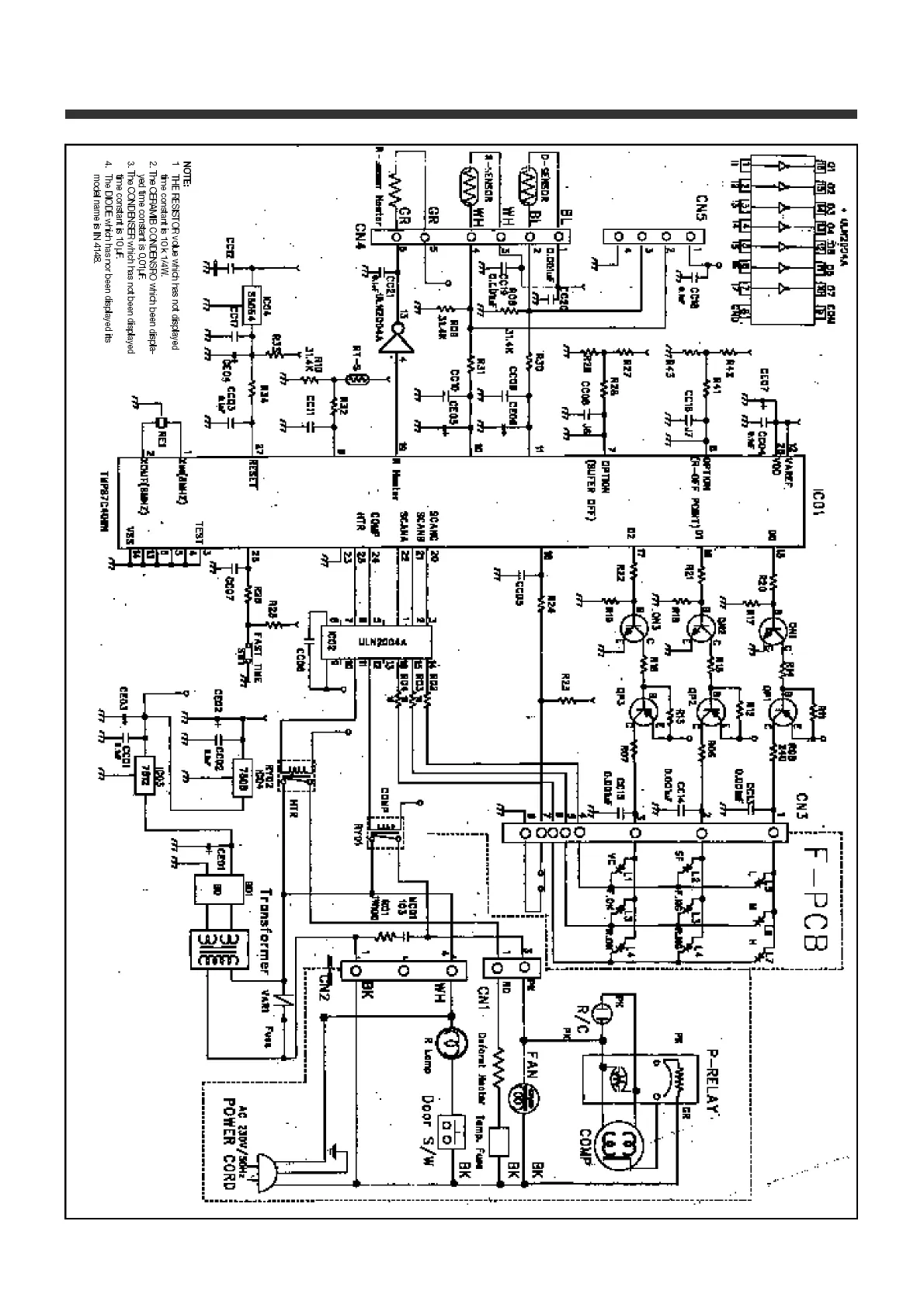
Daewoo ERF-331MM - 13. MAIN PCB DIAGRAM

Daewoo ERF-331MM
Print Icon
To Previous Page IconTo Previous Page
To Previous Page IconTo Previous Page
Loading...
13. MAIN PCB DIAGRAM
29

Related product manuals