EasyManua.ls Logo

Daewoo FR-4502K - Diagrams; Wiring Diagrams

Daewoo FR-4502K
51 pages
Print Icon
To Next Page IconTo Next Page
To Next Page IconTo Next Page
To Previous Page IconTo Previous Page
To Previous Page IconTo Previous Page
Loading...
21
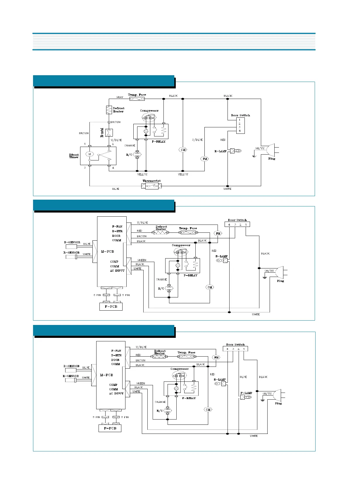
DIAGRAM
1. WIRING DIAGRAM
FOR FR-4501N, FR-4502N
FOR FR-4501K, FR-4502K, FR4504K, FR-4505K
FOR FR-4503N

Related product manuals