EasyManua.ls Logo

Daewoo FR-4502N - Diagram; Wiring Diagram

Daewoo FR-4502N
68 pages
Print Icon
To Next Page IconTo Next Page
To Next Page IconTo Next Page
To Previous Page IconTo Previous Page
To Previous Page IconTo Previous Page
Loading...
22
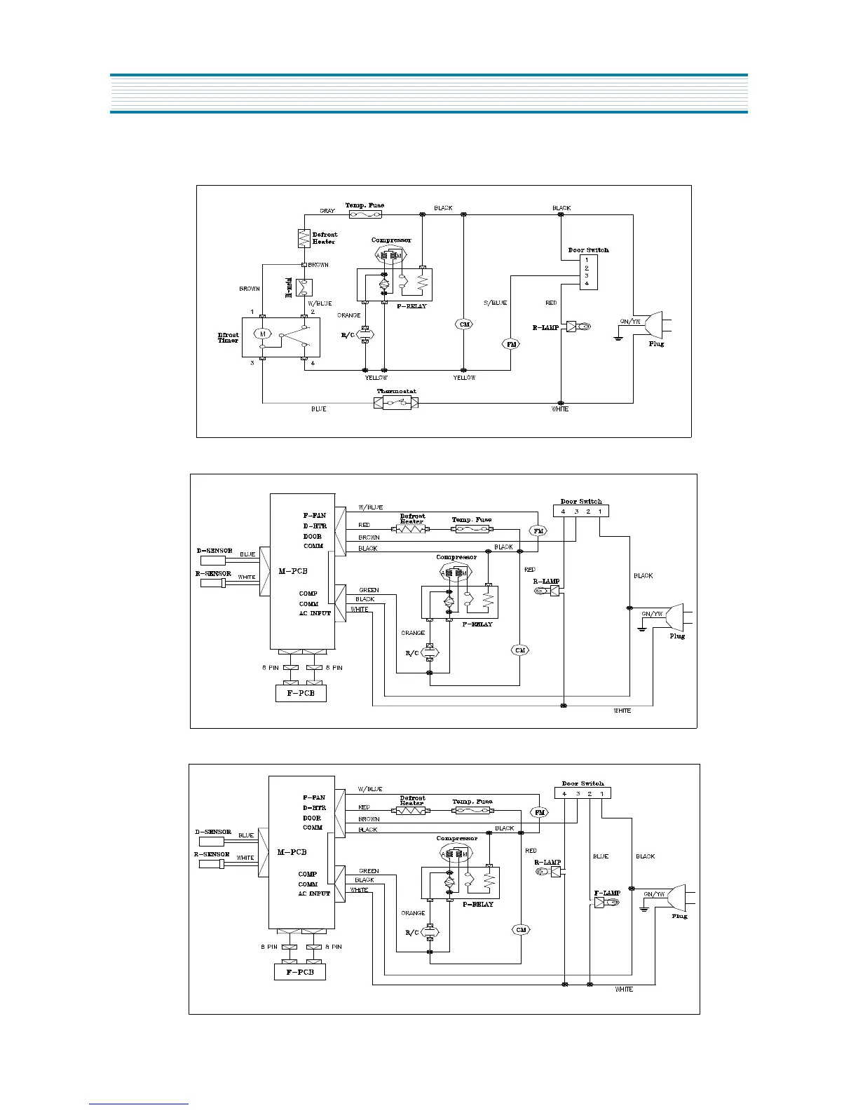
DIAGRAM
1. WIRING DIAGRAM
1) FR-4501K, FR-4502K, FR-4504K, FR-4505K
2) FR-4501N, FR-4502N
3) FR-4503N

Related product manuals