EasyManua.ls Logo

Daewoo FR-4502N - Page 38

Daewoo FR-4502N
68 pages
Print Icon
To Next Page IconTo Next Page
To Next Page IconTo Next Page
To Previous Page IconTo Previous Page
To Previous Page IconTo Previous Page
Loading...
37
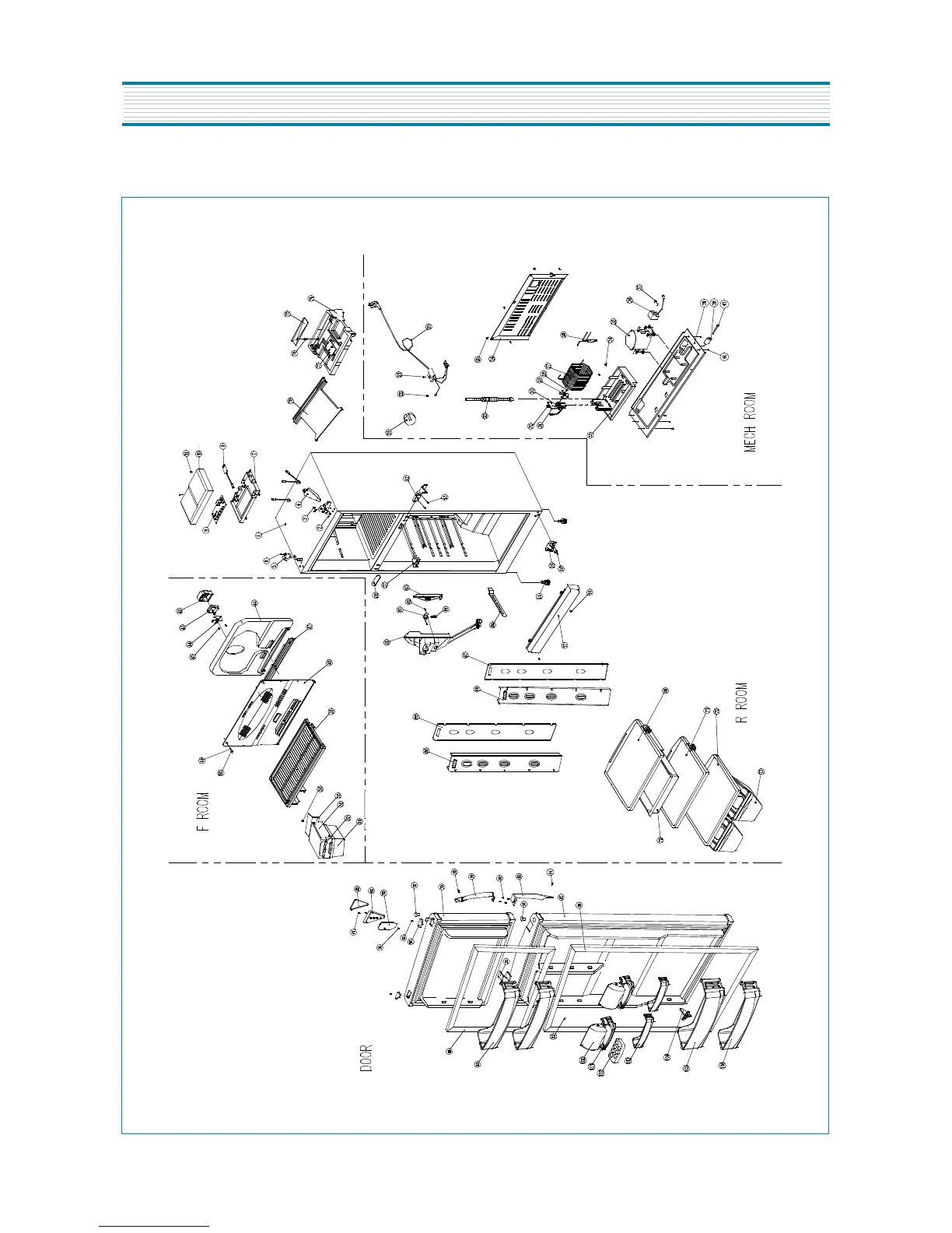
EXPLODED VIEW AND PARTS LIST
6) FR-4504K

Related product manuals