EasyManua.ls Logo

Daewoo FRS-U20DA Series - Diagram; Wiring Diagram

Daewoo FRS-U20DA Series
96 pages
Print Icon
To Next Page IconTo Next Page
To Next Page IconTo Next Page
To Previous Page IconTo Previous Page
To Previous Page IconTo Previous Page
Loading...
40
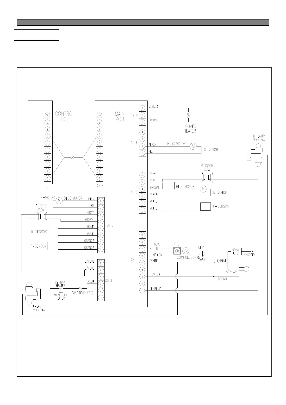
6-1. Wiring Diagram
6. DIAGRAM
FRS(N)-U20IA

Related product manuals