EasyManua.ls Logo

Daewoo G30E-3 - Rocker Arms and Camshaft

Daewoo G30E-3
199 pages
Print Icon
To Next Page IconTo Next Page
To Next Page IconTo Next Page
To Previous Page IconTo Previous Page
To Previous Page IconTo Previous Page
Loading...
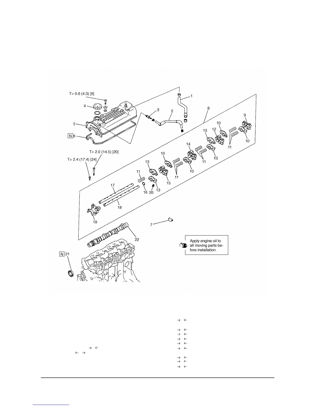
G424 Service Manual Base Engine Service Procedure133
Rocker Arms And Camshaft
Removal and Installation
Removal steps
1. Breather hose
2. P.C.V. hose
3. P.C.V. valve
4. Oil filler cap
5. Rocker cover
6. Gasket
7. Semi-circular packing
8. Rocker arms and rocker shafts
9. Rear bearing cap
10. Rear arm D
11. Spring
12. Bearing cap No. 4
13. Rocker arm C
14. Bearing cap No. 3
15. Bearing cap No. 2
16. Wave washer
17. Right rocker shaft
18. Left rocker shaft
19. Front bearing cap
20. Lash adjuster
21. Oil seal
22. Camshaft
D
D
D
C
B
B
E
F
A
G
A
6EN1896

Table of Contents

Other manuals for Daewoo G30E-3

Related product manuals