EasyManua.ls Logo

Daewoo G30E-3 - Crankshaft and Cylinder Block

Daewoo G30E-3
199 pages
Print Icon
To Next Page IconTo Next Page
To Next Page IconTo Next Page
To Previous Page IconTo Previous Page
To Previous Page IconTo Previous Page
Loading...
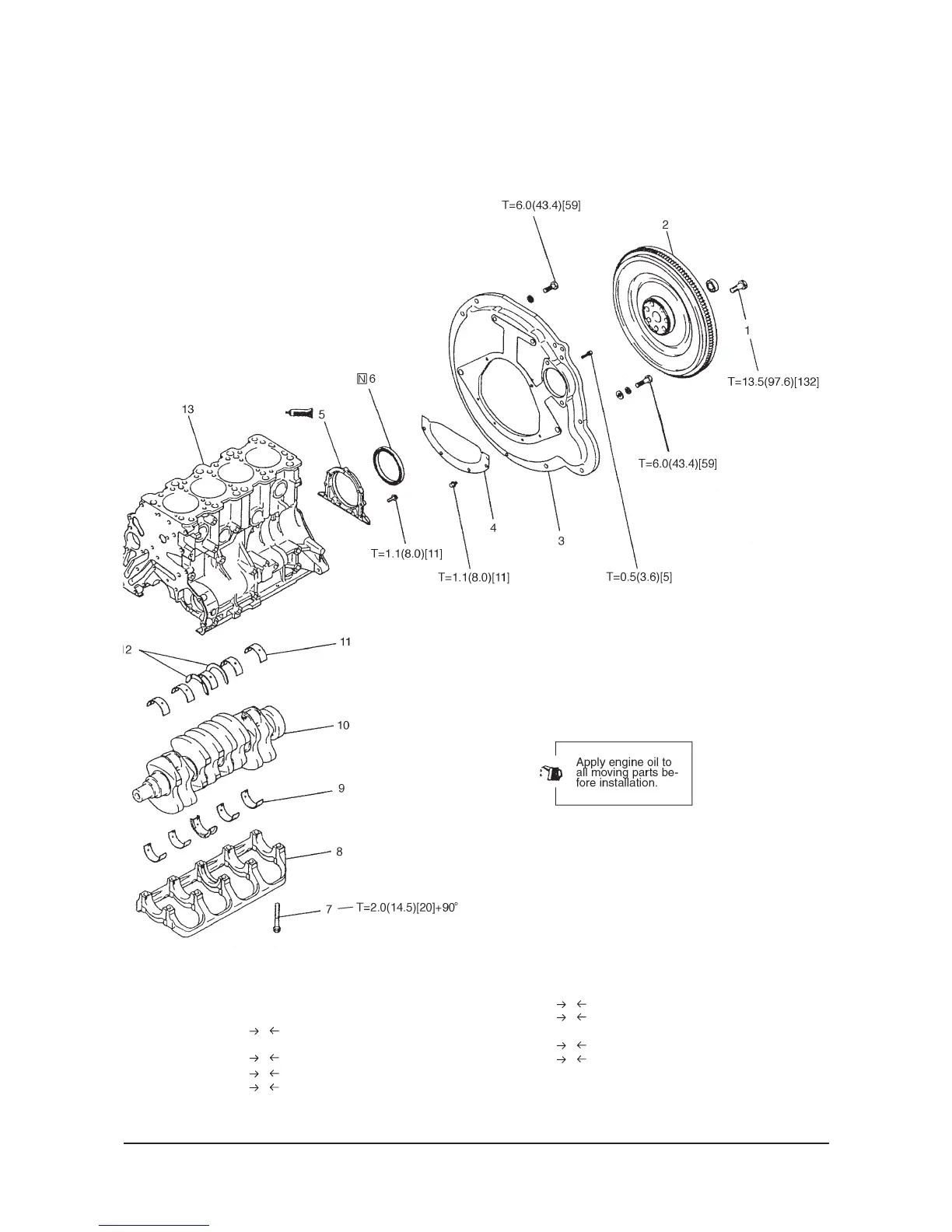
G424 Service Manual Base Engine Service Procedure162
Crankshaft And Cylinder Block
Removal and Installation
Removal steps
1. Flywheel bolt
2. Flywheel
3. F/W Housing
4. Cover - F/W Housing
5. Oil seal case
6. Oil seal
7. Crankshaft bearing cap bolt
8. Crankshaft bearing cap
9. Crankshaft bearing lower
10. Crankshaft
11. Crankshaft bearing upper
12. Thrust bearing
13. Cylinder block
C
B
B
B
F
E
D
C
6EN1900

Table of Contents

Other manuals for Daewoo G30E-3

Related product manuals