EasyManua.ls Logo

Daewoo G32E-3 - Chapter 6 MI-04 Electrical Connections

Daewoo G32E-3
88 pages
Print Icon
To Next Page IconTo Next Page
To Next Page IconTo Next Page
To Previous Page IconTo Previous Page
To Previous Page IconTo Previous Page
Loading...
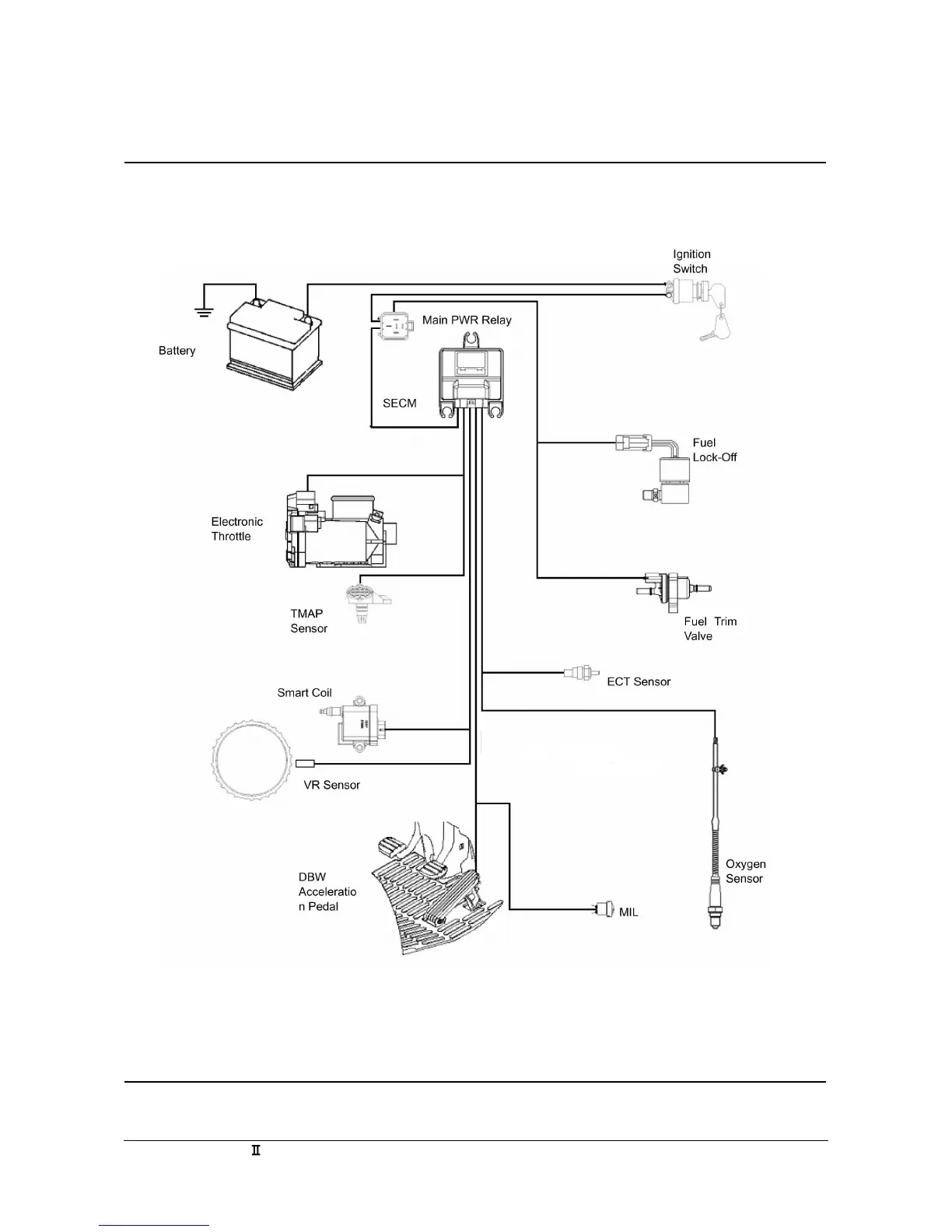
G420E/G424E Tier LP Engine Electrical Connections 60
CHAPTER 6 MI-04 ELECTRICAL CONNECTIONS
Figure E1

Table of Contents

Other manuals for Daewoo G32E-3

Related product manuals