EasyManua.ls Logo

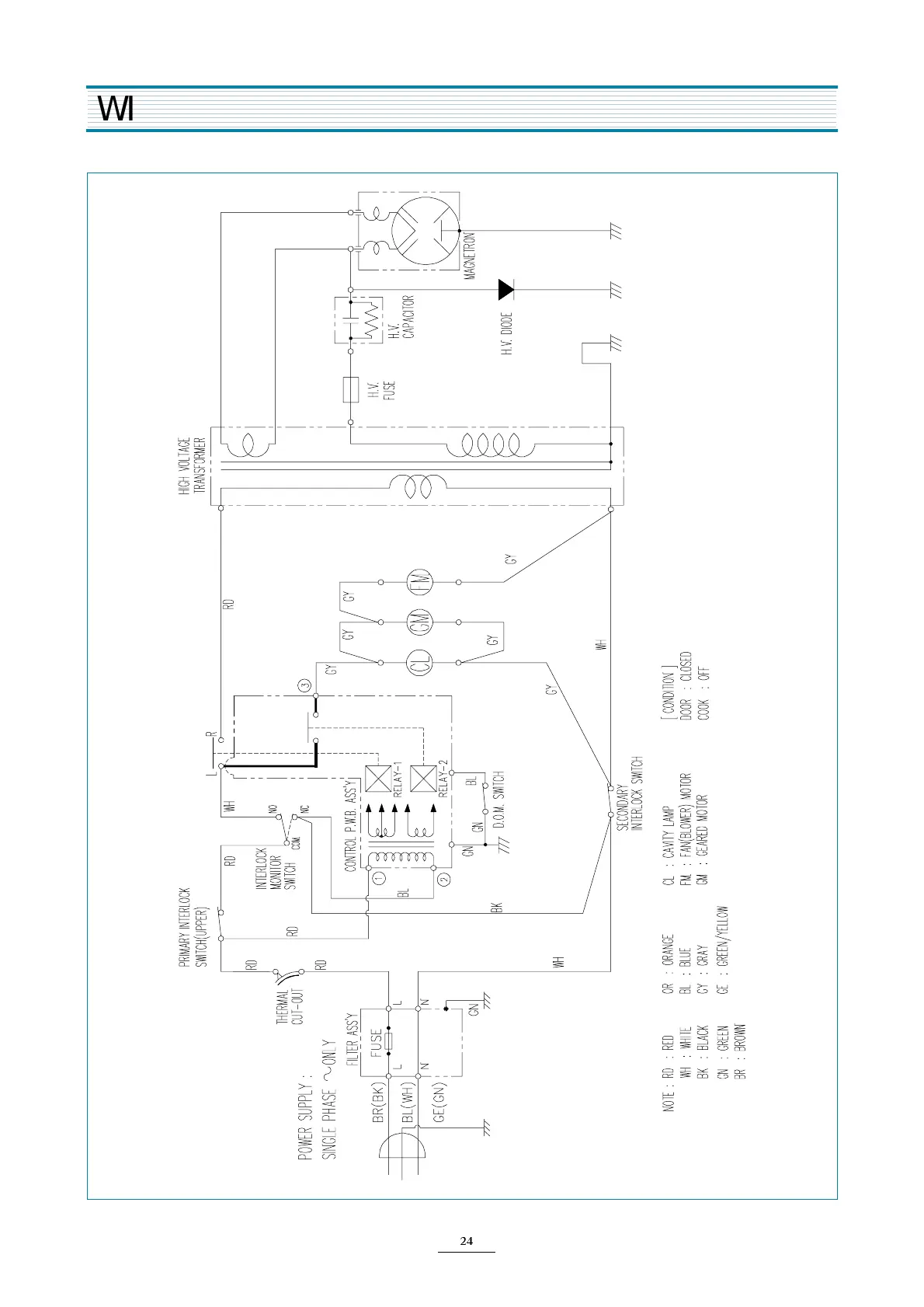
Daewoo KOR-866T - Wiring Diagram

Daewoo KOR-866T
32 pages
Print Icon
To Next Page IconTo Next Page
To Next Page IconTo Next Page
To Previous Page IconTo Previous Page
To Previous Page IconTo Previous Page
Loading...

WIRING DIAGRAM

Other manuals for Daewoo KOR-866T

Related product manuals