EasyManua.ls Logo

Daewoo Mega 250-V - Air-Conditioning System Circuit Diagram

Daewoo Mega 250-V
686 pages
Print Icon
To Next Page IconTo Next Page
To Next Page IconTo Next Page
To Previous Page IconTo Previous Page
To Previous Page IconTo Previous Page
Loading...
S0605050K
Page 12
Air Conditioner
Return to Master Table of Contents
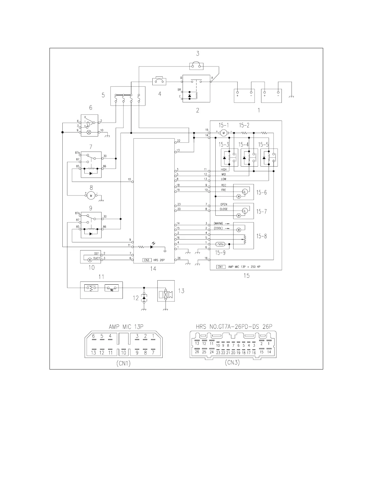
AIR-CONDITIONING SYSTEM CIRCUIT DIAGRAM
AJS0570L
Figure 12

Table of Contents

Other manuals for Daewoo Mega 250-V