EasyManua.ls Logo

Daewoo Mega 250-V - (Auto Selector Switch O - Manual Mode); Downshift; Kick-Down: Forward Second Gear to Forward First Gear; Overview

Daewoo Mega 250-V
686 pages
Print Icon
To Next Page IconTo Next Page
To Next Page IconTo Next Page
To Previous Page IconTo Previous Page
To Previous Page IconTo Previous Page
Loading...
S0607080K
Page 34
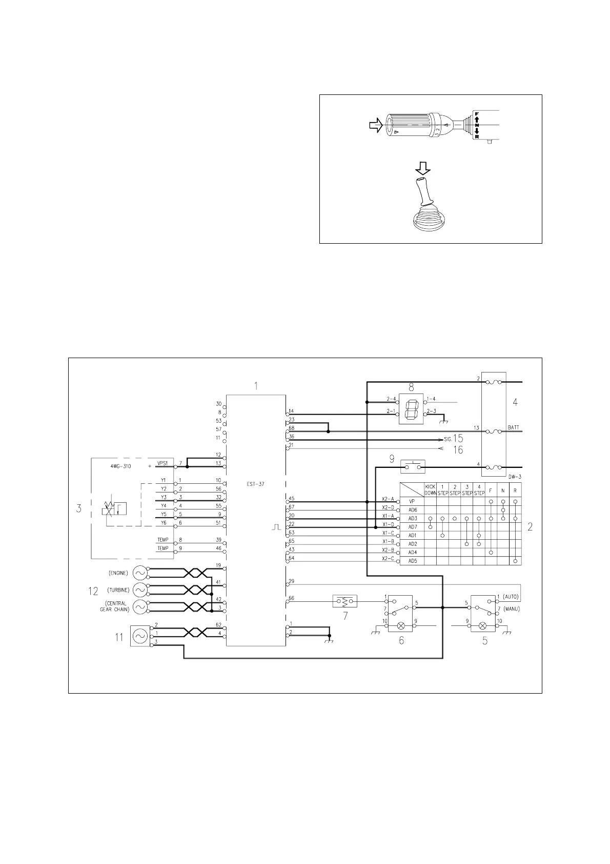
Transmission and Torque Converter
(ZF 4WG-310)
DOWNSHIFT
Overview
1. There are two downshift switches down
Figure 30, and it is possible for operators
to select one of them according to the
condition.
2. If the downshift switch is depressed during
the machine moving, downshifting takes
place automatically. As a result, fast
digging and moving is possible. But at the
manual mode the kick-down can only be
activated.
3. If a change or traveling direction takes
place or the downshift switch is depressed
a second time, downshifting is released
automatically.
Kick-down: Forward Second Gear to Forward First Gear
(Auto Selector Switch "O" - Manual Mode)
AJS0400L
Figure 30
AHS0220L
Figure 31

Table of Contents

Other manuals for Daewoo Mega 250-V