EasyManua.ls Logo

Daewoo Mega 250-V - Page 642

Daewoo Mega 250-V
686 pages
Print Icon
To Next Page IconTo Next Page
To Next Page IconTo Next Page
To Previous Page IconTo Previous Page
To Previous Page IconTo Previous Page
Loading...
S0793060K
Page 4
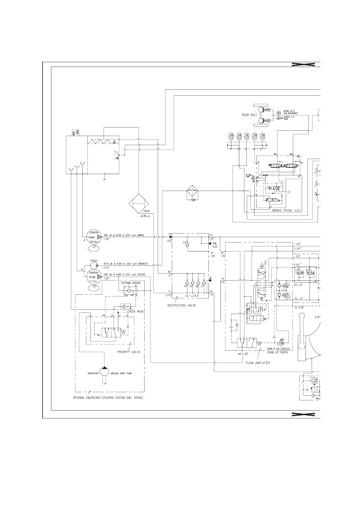
Hydraulic Schematic (Mega 500-V)
Return to Master Table of Contents
MEGA 500-V
Figure 2

Table of Contents

Other manuals for Daewoo Mega 250-V