EasyManua.ls Logo

Daewoo RD-430 - Integrated Circuit Block Diagrams (Part 3); 24 C04 IC Block Diagram; AM5888 IC Block Diagram; PT2579 IC Block Diagram

Daewoo RD-430
39 pages
Print Icon
To Next Page IconTo Next Page
To Next Page IconTo Next Page
To Previous Page IconTo Previous Page
To Previous Page IconTo Previous Page
Loading...
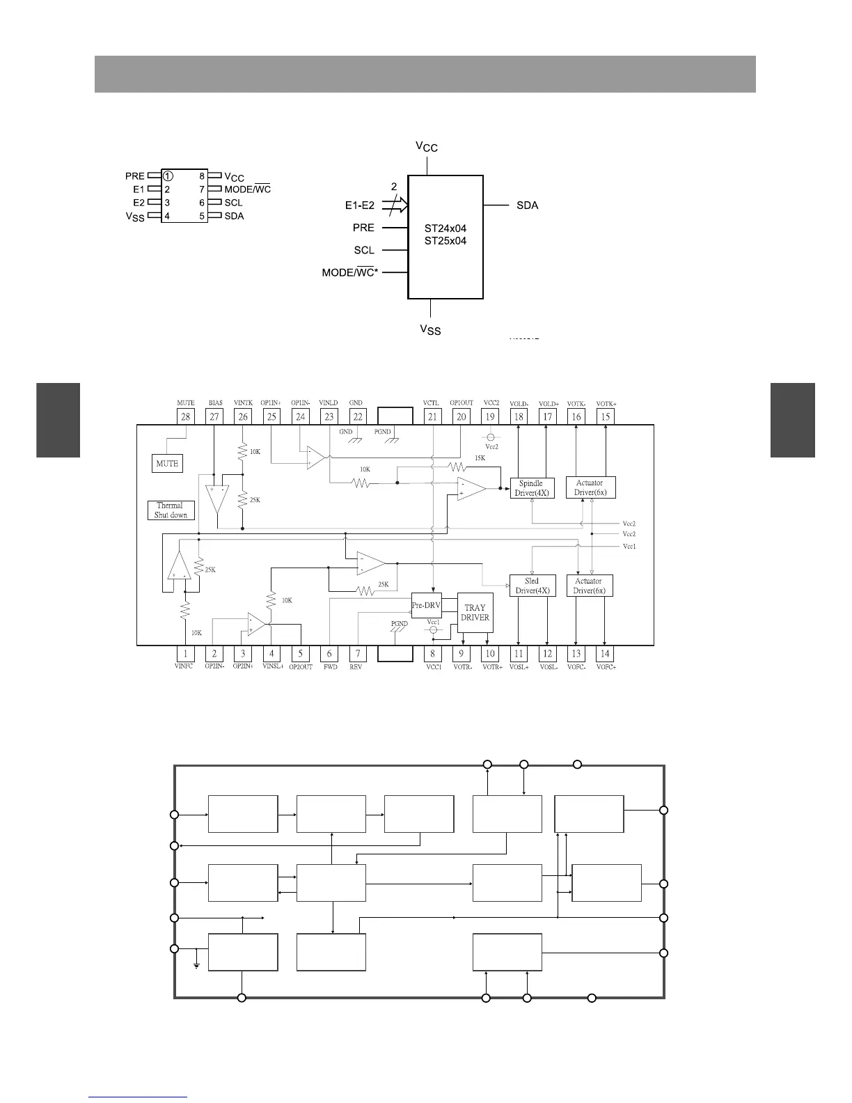
Internal Block Diagram of ICs
1
2
3
4
5
6
7
8
9
10
11
12
13
14
15
1
2
3
4
5
6
7
8
9
10
11
12
13
14
15
24C04
AM5888
VP1
DVDD
DVSS
MUX
CIN
AVDD
VREF
AVSS
SCOUT
OSC1 OSC2
QUAL
RDDA
RDCL
T57
TESTMODE
Anti-Aliasing
Filter
Reconstruction
Filter
Quality Bit
Generator
Defferential
Decoder
Reference
Voltage
Clocked
Comparator
57kHz
Band Pass
(8th Order)
Clock
Regeneration
& Sync
Test Logic &
Output Selector
Switch
Oscillation
&
Divider
Biphase
Symbol
Decoder
Costas Loop
Variable &
Fixed Divider
PT2579

Related product manuals