EasyManua.ls Logo

Daikin 2MXM40M - 5.4.2.4. 5 MXM-M; 5.4.2.5. RXJ20-35 M

Daikin 2MXM40M
114 pages
Print Icon
To Next Page IconTo Next Page
To Next Page IconTo Next Page
To Previous Page IconTo Previous Page
To Previous Page IconTo Previous Page
Loading...
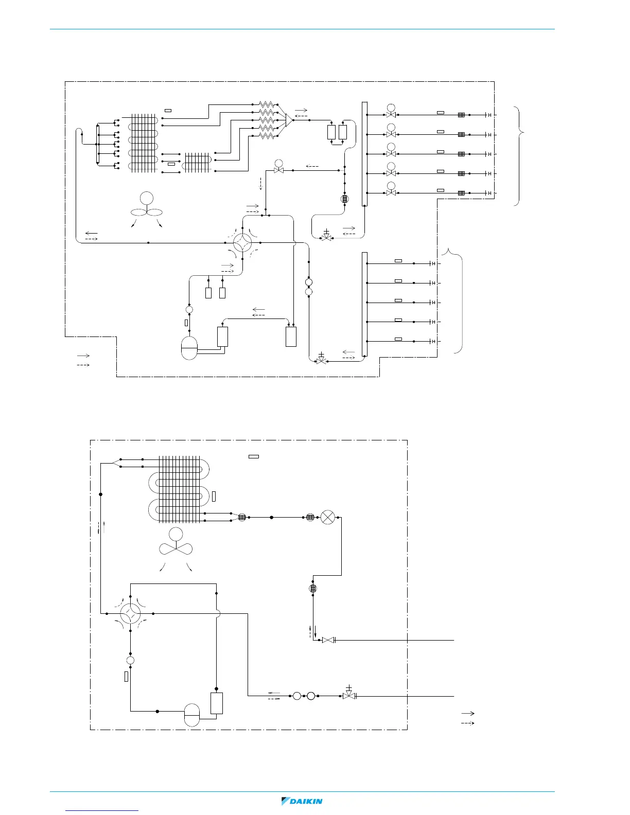
ESIE16-02B | Part 5. Appendix 5.4. Piping diagram
RA R32 Split & multi split M-Series
Page 106 4/04/17 | Version 1.1
5.4.2.4. 5MXM-M
Figure 5-20: Piping diagram - outdoor unit 2MXM50M
5.4.2.5. RXJ20-35M
Figure 5-21: Piping diagram - outdoor unit RXJ20-35M
7.9CuT
7.9CuT
7.9CuT
7.9CuT
12.7CuT
M
12.7CuT
A
B
C
(9.5CuT)
(9.5CuT)
(12.7CuT)
12.7CuT
12.7CuT
12.7CuT
Field piping
Thermistor (gas)
Refnet header
12.7CuT
Gas stop valve
15.9CuT
15.9CuT
Muer
Muer
15.9CuT
15.9CuT
Accumulator
Compressor
9.5CuT
Muer
9.5CuT
12.7CuT
4-way valve
Heat exchanger
Propeller fan
Fan motor
7.9CuT
7.9CuT
7.9CuT
MV
MV
MV
A
B
C
Electronic expansion valve
6.4CuT
6.4CuT
6.4CuT
Filter
Room
Room
Room
Field piping
Liquid
Gas
A
B
C
(6.4CuT)
(6.4CuT)
(6.4CuT)
Room
Room
Room
9.5CuT
Liquid stop valve
9.5CuT
9.5CuT
9.5CuT
Muer with lter
Capillary tube
Distributor
Refrigerant ow
Refnet header
Accumulator
Discharge pipe thermistor
Thermistor (liquid)
Heating
Cooling
Refnet header
S1PH
S2PH
High pressure switch
Manual reset
Automatic reset
SV
Solenoid valve
9.5CuT
9.5CuT
6.4CuT
12.7CuT
7.9CuT
MV
D
6.4CuT
Room
D
(6.4CuT)
D
(15.9CuT)
12.7CuT
Room
7.9CuT
7.9CuT
7.9CuT
7.9CuT
7.9CuT
7.9CuT
7.9CuT
7.9CuT
7.9CuT
Liquid receiver
Liquid receiver
9.5CuT
9.5CuT
Heat exchanger
7.9CuT
MV
E
6.4CuT
Room
E
(6.4CuT)
E
(15.9CuT)
12.7CuT
Room
Outdoor air temperature thermistor
Heat exchanger thermistor
15.9CuT
7.0CuT
7.0CuT
9.5CuT
9.5CuT
M
4.8CuT
4.8CuT
6.4CuT
6.4CuT
Ø.4.0xID.2.0CuT
6.4CuT
(6.4CuT)
(9.5CuT)
9.5CuT
9.5CuT
9.5CuT
9.5CuT
7.9CuT
Heat exchanger thermistor
Outdoor air temperature thermistor
Accumulator
Compressor
Muer
Muer with lter
Muer with lter
4-way valve
Motor-operated valve
Liquid stop valve
Gas stop valve
Field piping
Field piping
Heat exchanger
Discharge pipe thermistor
Propeller fan
Heating
Cooling
Refrigerant ow
ON: heating
Muer with lter
Muer
Muer
7.9CuT

Table of Contents

Related product manuals