EasyManua.ls Logo

Daikin DPS007 - Modulating Gas Furnace

Daikin DPS007
122 pages
Print Icon
To Next Page IconTo Next Page
To Next Page IconTo Next Page
To Previous Page IconTo Previous Page
To Previous Page IconTo Previous Page
Loading...
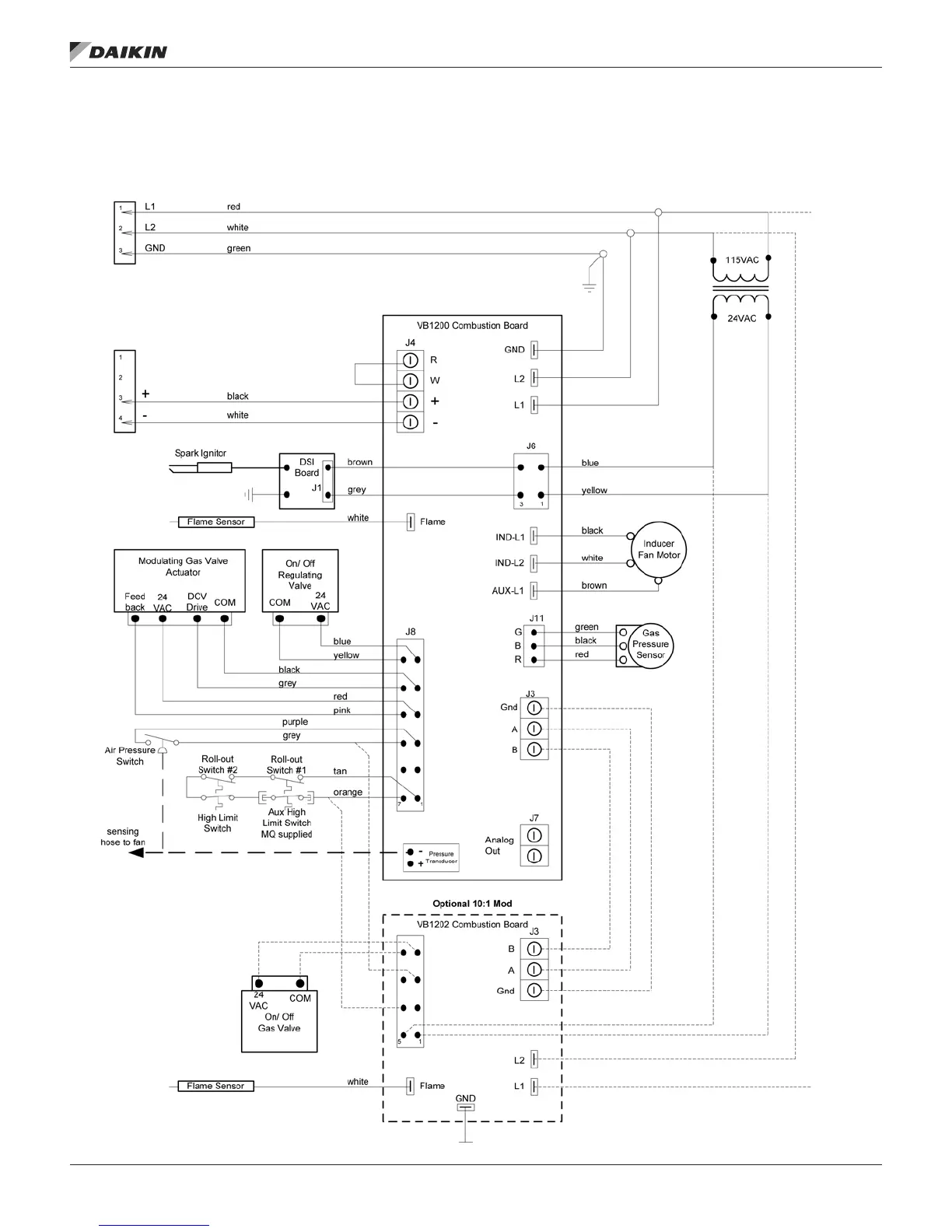
DPS 003015 (only) Ignition Control Module for Modulating Gas Furnace
Figure 54: Typical Modulating Gas Furnace Electrical Schematic with Sensor
opTIonal gas heaT
www.DaikinApplied.com 53 IM 1125-7 • REBEL ROOFTOPS

Table of Contents

Related product manuals