EasyManua.ls Logo

Daikin DV37PECC14 - Page 23

Daikin DV37PECC14
28 pages
Print Icon
To Next Page IconTo Next Page
To Next Page IconTo Next Page
To Previous Page IconTo Previous Page
To Previous Page IconTo Previous Page
Loading...
23
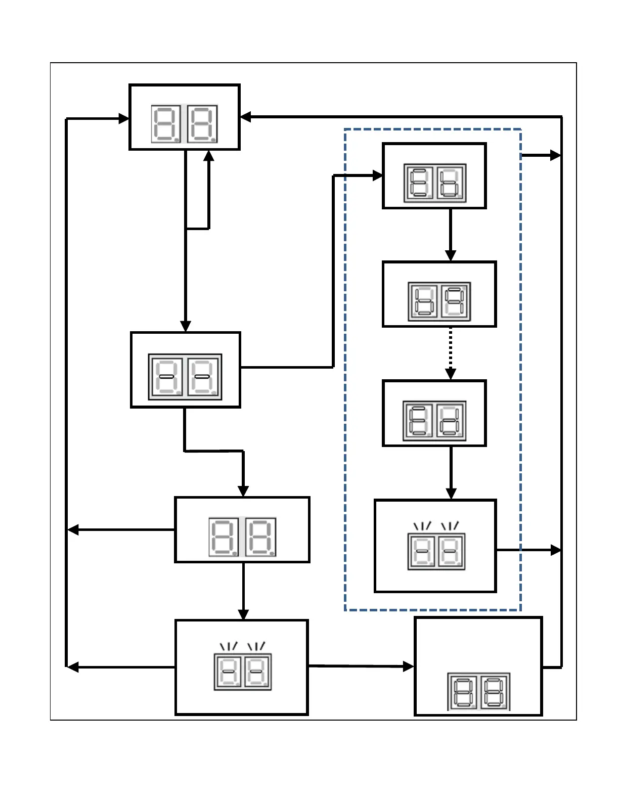
SETTING THE MODE DISPLAY
<SCREEN ZERO>
Release Fault
Recall in between
5 to 10 sec
Release Fault
Recall in between
10 to 15 sec
Release Fault
Recall aer 15 sec
Hold Fault Recall for
more than 10 sec
Solid Display
<SCREEN ZERO>
Hold Fault
Recall for more
than 2 sec
Release Fault
Recall between 2
to 5 sec
Hold Fault
Recall for more
than 5 sec
Flashing Display
First Error Code
Last Error Code
Press Fault Recall
for Error Code
Press Fault Recall
for Error Code
Press Fault Recall
to complete list
Release Fault
Recall in less
than 2 sec
Flashing Display
Solid Display “88” for
3 sec before erasing all
Diagnosc Codes
Second Error Code
0.2 sec ON 0.2 sec OFF
0.5 sec ON 0.25 sec OFF
Idle
for
3
mins.

Related product manuals