EasyManua.ls Logo

Daikin DZ16 - Page 87

Daikin DZ16
112 pages
Print Icon
To Next Page IconTo Next Page
To Next Page IconTo Next Page
To Previous Page IconTo Previous Page
To Previous Page IconTo Previous Page
Loading...
87
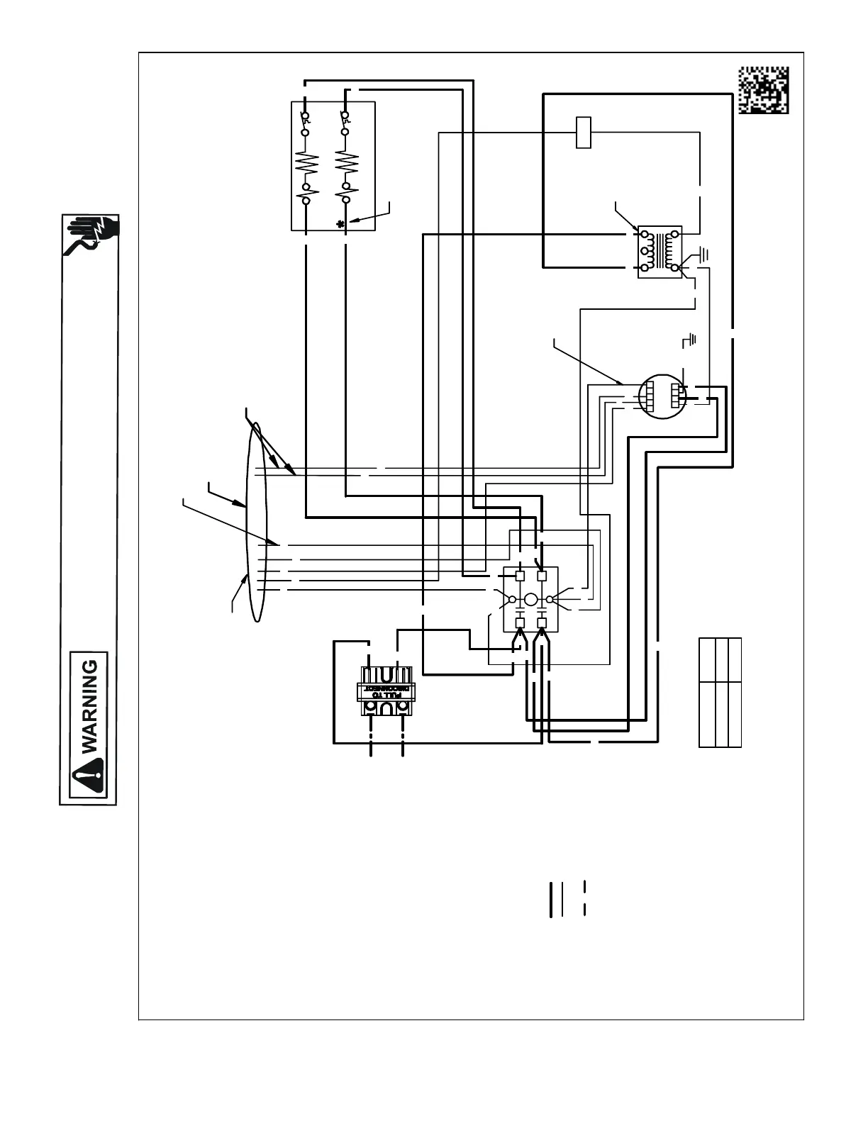
WIRING DIAGRAMS
HIGH VOLTAGE!
DISCONNECT ALL POWER BEFORE SERVICING OR INSTALLING THIS
UNIT. MULTIPLE POWER SOURCES MAY BE PRESENT. FAILURE TO
DO SO MAY CAUSE PROPERTY DAMAGE, PERSONAL INJURY OR DEATH.
Wiring is subject to change. Always refer to the wiring diagram on the unit for the most up-to-date wiring.
AWUF190[316,516,816]AC,AWUF250[316,516,816]AC
NOTES:
1. REDWIRETOBEONTRANSFORMER
TERMINAL "3"FOR 230VOLTS ANDON
TERMINAL "2"FOR 208VOLTS.
2. CONFIRMSPEED TAPSELECTEDIS
APPROPRIATEFOR APPLICATION. IF SPEED
TAPS NEEDSTOBECHANGED,CONNECT
APPROPRIATEWIREFROMMOTOR TO
"Y"FROMTHERMOSTAT/CONDENSER(SEETABLE-1).
3. ASTERISK (*) INDICATESTHATHEATING
ELEMENT, THERMALLIMIT,RELAY AND
INTERCONNECTINGWIRES ANDJUMPERS
OF HEATER #2 AREDELETED WITH SINGLE
ELEMENTUNITS.
4. COLORCODES:
BK -BLACK
BL -BLUE
BR -BROWN
GR -GREEN
PU -PURPLE
RD -RED
WH -WHITE
YL -YELLOW
PK -PINK
5. WIRING CODE:
FACTORY WIRING:
HIGH VOLTAGE
LOWVOLTAGE
FIELD WIRING:
HIGH VOLTAGE
6. COMPONENTCODE:
C- CONTACTOR
DISC -DISCONNECTSWITCH
EM - EVAPORATERMOTOR
F- FUSE
HTR- HEATER ELEMENT
R- RELAY
SEQ- SEQUENCER
TL -THERMAL LIMIT
TR -TRANSFORMER
7. FORUNITS USING3KW AND5KW HEATERS,
WHITEWIREWILLBECONNECTED TO
TERMINAL 4.
BTUh
PURPLE 18000
PINK 24 000
RD
PK
PK
GR
PU
PU
WH
F
123
54
24V
12345
CL GN
EM
TABLE-1
MOTORCONNECTIONS
ONLY ONEWILLBECONNECTED
(SEENOTE 2)
UNUSED WIRESMUSTHAVETHEIR ENDS TAPE DOR
CAPPED
WIRE COLOR
0140A005 44-A
SEE NOTE #3
240V
TR
HTR1
HTR2*
TL1
TL2*
DISC
FIELD CONN ECTIONS
SEE NOTE 2
USE N.E.C CLASS2WIRE
SEENOTE1
C
L1
L2
T1
T2
BL
BR
WH
BK
RD
BK
BL
WH
WH
RD
RD
BL
RD
BK
BR
BK
BK
BK
BK
RD
RD
RD
RD
GR/YL
BL
BL
BL
BK
GR
RD
BK
BK
BK
BK
BK
RD
RD
RD
OPTIONAL
CONNECTION
SEENOTE7
L2
RD
L1
BK

Table of Contents

Related product manuals