EasyManua.ls Logo

Daikin E Series - BP Units

Daikin E Series
453 pages
Print Icon
To Next Page IconTo Next Page
To Next Page IconTo Next Page
To Previous Page IconTo Previous Page
To Previous Page IconTo Previous Page
Loading...
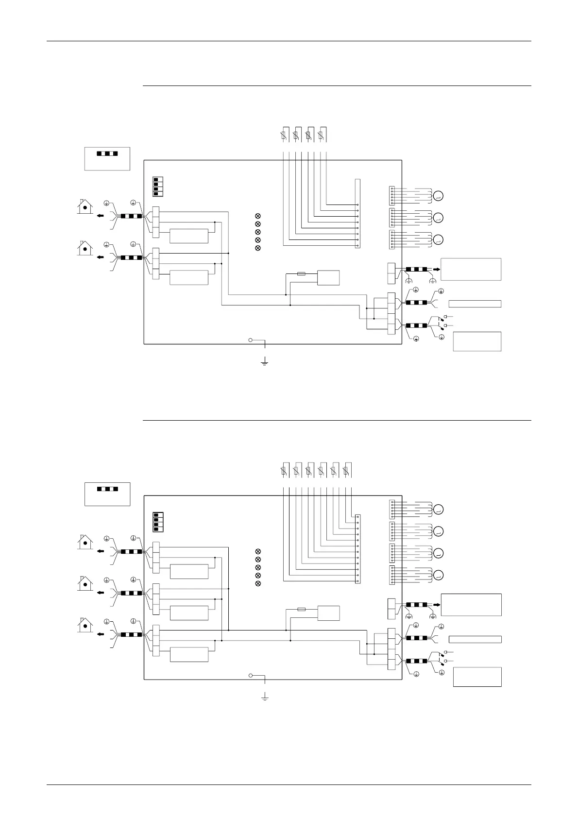
Wiring Diagrams SiAU18-715
422 Appendix
2.2 BP Units
BPMKS967A2
BPMKS967A3
ROOM B
ROOM A
INDOOR
INDOOR
FIELD WIRING
3
3
2
2
1
1
PCB
OFF
X3M
X4M
3
2
3
2
1
1
3
2
4
1
TRANSMISSION
TRANSMISSION
DS2
CIRCUIT
CIRCUIT
H3P
H4P
H2P
H5P
H1P
E1
LEDA
LED2
LED4
LED3
LED1
(
DLA
)
R1T
t°
(
DGA
)
R2T
3.15A
F2U
t°
(
DLB
)
R3T
t°
(
DGB
)
R4T
T201R
t°
(
WHT
)
X90A
12
1
(
WHT
)
(
RED
)
(
BLU
)
X22A
X20A
X21A
X6M
X1M
6
6
6
1
1
1
L2
F2
N2
L1
F1
N1
Y3E
Y2E
Y1E
M
M
M
L1
N1
FOR TRANSMISSION
TO OUTDOOR
(
F1•F2
)
OR OTHER BP UNIT
ROOM A
ROOM B
BYPASS
TO OTHER BP UNIT
POWER SUPPLY
220V-230V~60Hz
220V-240V~50Hz
N
L
GRN/YLW
BLK
BLK
BLK
BLK
BLU
BLU
BLU
BLU
YLW
YLW
YLW
RED
BLU
RED
BLU
RED
BLU
WHT
WHT
WHT
BRW
BRW
BRW
ORG
ORG
ORG
X20A~X22A
,
X90A
PCB
F2U
: TRANSFORMAR
: TERMINAL STRIP
: MOTOR OPERATED VALVE COIL
T201R
X1M
,
X3M
,
X4M
,
X6M
Y1E~Y3E
: PILOT LAMP
: THERMISTOR
: DIP SWITCH
H1P~H5P
R1T~R4T
DS2
: CONNECTOR
: PRINTED CIRCUIT BOARD
: FUSE
3D048438
ROOM A
ROOM B
ROOM C
INDOOR
INDOOR
INDOOR
FIELD WIRING
3
3
3
2
2
2
1
1
1
PCB
OFF
X3M
X4M
X5M
3
3
2
2
3
2
1
1
1
2
3
4
1
TRANSMISSION
TRANSMISSION
TRANSMISSION
DS2
CIRCUIT
CIRCUIT
CIRCUIT
H3P
H4P
H2P
H5P
H1P
E1
LEDA
LED2
LED3
LED4
LED1
(
DLA
)
R1T
t°
(
DGA
)
R2T
3.15A
F2U
t°
(
DLB
)
R3T
t°
(
DGB
)
R4T
T201R
t°
(
DLC
)
R5T
t°
(
DGC
)
R6T
t°
(
WHT
)
X90A
12
1
(
WHT
)
(
YLW
)
(
RED
)
(
BLU
)
X22A
X23A
X20A
X21A
X6M
X1M
6
6
6
6
1
1
1
1
L2
F2
N2
L1
F1
N1
Y3E
Y2E
Y4E
Y1E
M
M
M
M
L1
N1
FOR TRANSMISSION
ROOM C
ROOM A
ROOM B
BYPASS
OR OTHER BP UNIT
TO OUTDOOR
(
F1•F2
)
TO OTHER BP UNIT
POWER SUPPLY
220V-230V~60Hz
220V-240V~50Hz
N
L
GRN/YLW
BLK
BLK
BLK
BLK
BLU
BLU
BLU
BLU
YLW
YLW
YLW
YLW
YLW
YLW
YLW
YLW
BLU
RED
RED
BLU
BLU
RED
RED
BLU
WHT
WHT
WHT
WHT
BRW
BRW
BRW
BRW
ORG
ORG
ORG
ORG
X20A~X23A
,
X90A
PCB
F2U
: TRANSFORMAR
: TERMINAL STRIP
: MOTOR OPERATED VALVE COIL
T201R
X1M
,
X3M~X6M
Y1E~Y4E
: PILOT LAMP
: THERMISTOR
: DIP SWITCH
H1P~H5P
R1T~R6T
DS2
: CONNECTOR
: PRINTED CIRCUIT BOARD
: FUSE
3D048288

Table of Contents