EasyManua.ls Logo

Daikin ERGA06DAV3 - Technical Data

Daikin ERGA06DAV3
236 pages
Print Icon
To Next Page IconTo Next Page
To Next Page IconTo Next Page
To Previous Page IconTo Previous Page
To Previous Page IconTo Previous Page
Loading...
14 | Technical data
Installer reference guide
211
ERGA04~08DAV3(A) + EHVH/X04+08S18+23DA/DJ3V+6V+9W7
Daikin Altherma 3 R F
4P618947-1 – 2020.03
14 Technical data
A subset of the latest technical data is available on the regional Daikin website
(publicly accessible). The full set of latest technical data is available on the Daikin
Business Portal (authentication required).
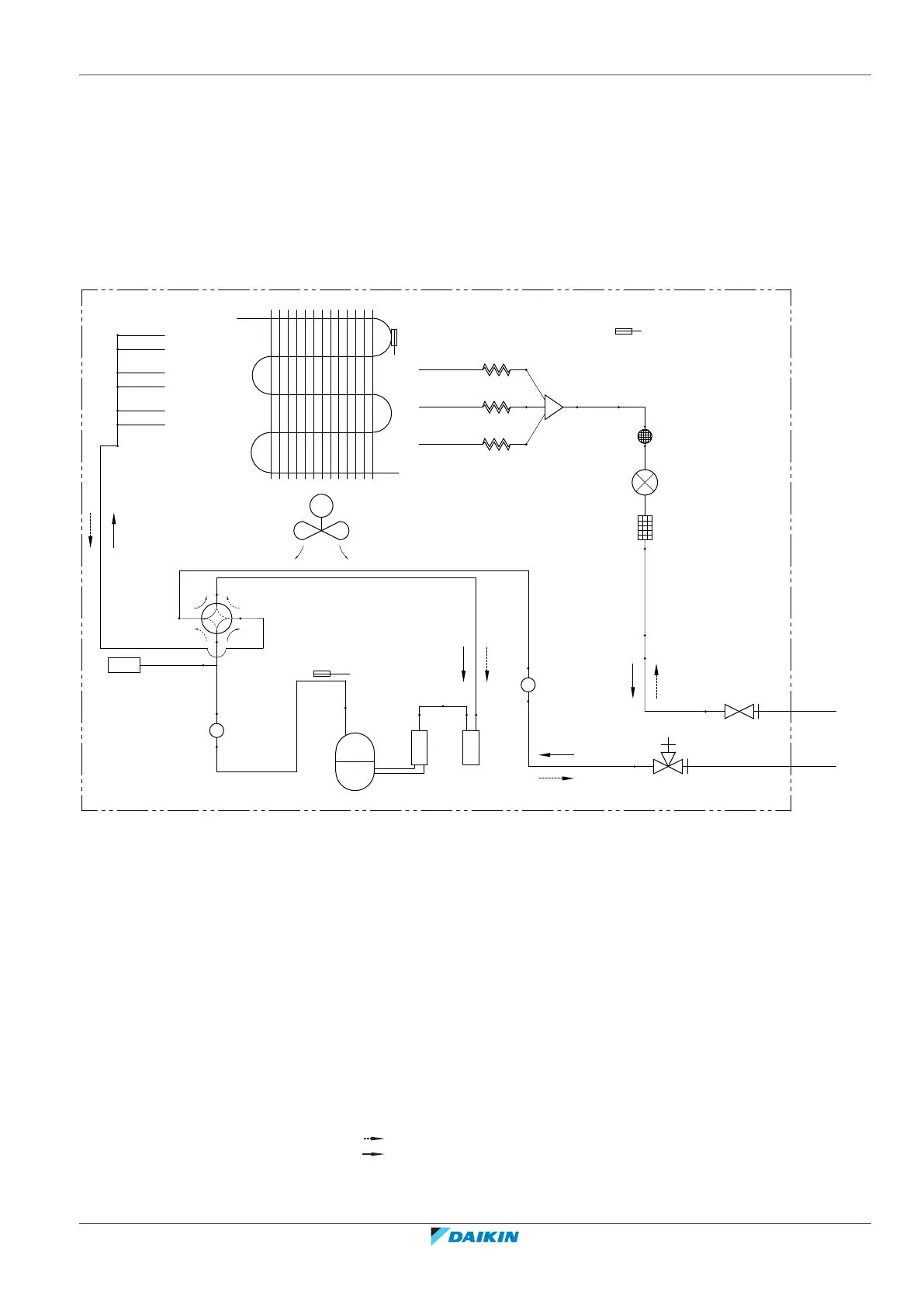
14.1 Piping diagram: Outdoor unit
R2T
7.0 CuT
7.0 CuT
7.0 CuT
7.0 CuT
7.0 CuT
7.0 CuT
12.7 CuT
12.7 CuT
12.7 CuT
6.4 CuT
6.4 CuT
6.4 CuT
6.4 CuT
4.0 CuT
4.0 CuT
9.5 CuT
15.9 CuT
3D110394
9.5 CuT
12.7 CuT
15.9 CuT
6.4 CuT
S1PH
Y1E
R1T
R3T
M1C
Y1S
4.0 CuT
M1F
b
ac
d
e
f
g
h
ij
k
k
g
g
a Field piping (liquid: Ø6.4mm flare connection)
b Field piping (gas: Ø15.9mm flare connection)
c Stop valve (liquid)
d Stop valve with service port (gas)
e Filter
f Muffler with filter
g Capillary tube
h Heat exchanger
i Accumulator
j Compressor accumulator
k Muffler
M1C Compressor
M1F Fan
R1T Thermistor (outdoor air)
R2T Thermistor (heat exchanger)
R3T Thermistor (compressor discharge)
S1PH High pressure switch (automatic reset)
Y1E Electronic expansion valve
Y1S Solenoid valve (4‑way valve)(ON: cooling)
Heating
Cooling

Table of Contents