EasyManua.ls Logo

Daikin FDEQ100B7V3B - 1.4 FFQ25, 35, 50, 60 B

Daikin FDEQ100B7V3B
390 pages
Print Icon
To Next Page IconTo Next Page
To Next Page IconTo Next Page
To Previous Page IconTo Previous Page
To Previous Page IconTo Previous Page
Loading...
Disassembly and Maintenance ESIE05-04
5–8 Part 5 Disassembly and Maintenance
3
1
5
5
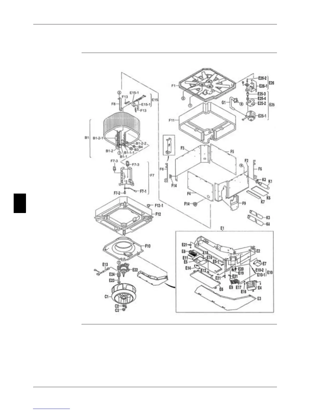
1.4 FFQ25, 35, 50, 60B
Exploded view The illustration below shows the exploded view.

Table of Contents

Related product manuals