EasyManua.ls Logo

Daikin FTKF50YVMV - Tên Bộ Phận

Daikin FTKF50YVMV
64 pages
Print Icon
To Next Page IconTo Next Page
To Next Page IconTo Next Page
To Previous Page IconTo Previous Page
To Previous Page IconTo Previous Page
Loading...
ĐỌC TRƯỚC KHI VẬN HÀNH ĐỌC TRƯỚC KHI VẬN HÀNH
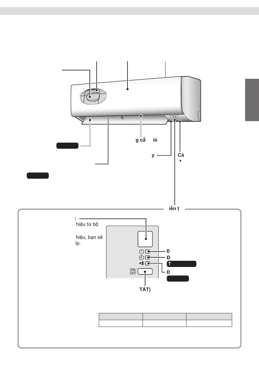
Tên bộ phận
Dàn lạnh
5
Tiếng Việt English
Bộ phận nhận tín hiệu:
Bộ phận này nhận tín hiệu từ bộ
điều khiển từ xa.
Khi dàn lạnh nhận tín hiệu, bạn sẽ
nghe thấy một tiếng bíp.
Bật máy ....................bíp-bíp
Thay đổi cài đặt .......bíp
Dừng vận hành .......
tiếng bíp dài
Đèn báo HOẠT ĐỘNG (màu xanh lá)
Đèn HẸN GIỜ (cam):
Trang 19, 20
Đèn STREAMER (màu xanh lam):
Trang 17
Nút ON/OFF (BẬT/TẮT) dàn lạnh:
Ấn nút này một lần để khởi động.
Ấn lần nữa để tắt máy điều hòa.
Để đặt chế độ vận hành, tham khảo bảng sau đây.
Chế độ Nhiệt độ cài đặt Tốc độ luồng gió
COOL (LÀM LẠNH) 22,0°C AUTO (TỰ ĐỘNG)
Có thể sử dụng công tắc này khi không có bộ điều khiển từ
xa hoặc hết pin.
Hiển thị
Mặt nạ
Lưới lọc thô
Tên mẫu máy
Miệng cấp g
Cánh hướng dòng (Cánh dọc):
Cánh hướng dòng ở bên trong cửa gió cấp.
Trang 12
Cảm biến nhiệt độ phòng:
Nhận biết nhiệt độ
quanh dàn lạnh.
Cánh đảo gió
(Cánh ngang):
Trang 12
Phin lọc
(enzyme blue
với PM2,5)
Mặt hút gió
02_VI_3P730851-4G.indd 502_VI_3P730851-4G.indd 5 03/11/2023 16:18:4103/11/2023 16:18:41

Related product manuals