EasyManua.ls Logo

Daikin FTXG-J - Piping Diagrams; Indoor Unit; Outdoor Unit

Daikin FTXG-J
149 pages
Print Icon
To Next Page IconTo Next Page
To Next Page IconTo Next Page
To Previous Page IconTo Previous Page
To Previous Page IconTo Previous Page
Loading...
SiBE041012_B Piping Diagrams
Appendix 133
1. Piping Diagrams
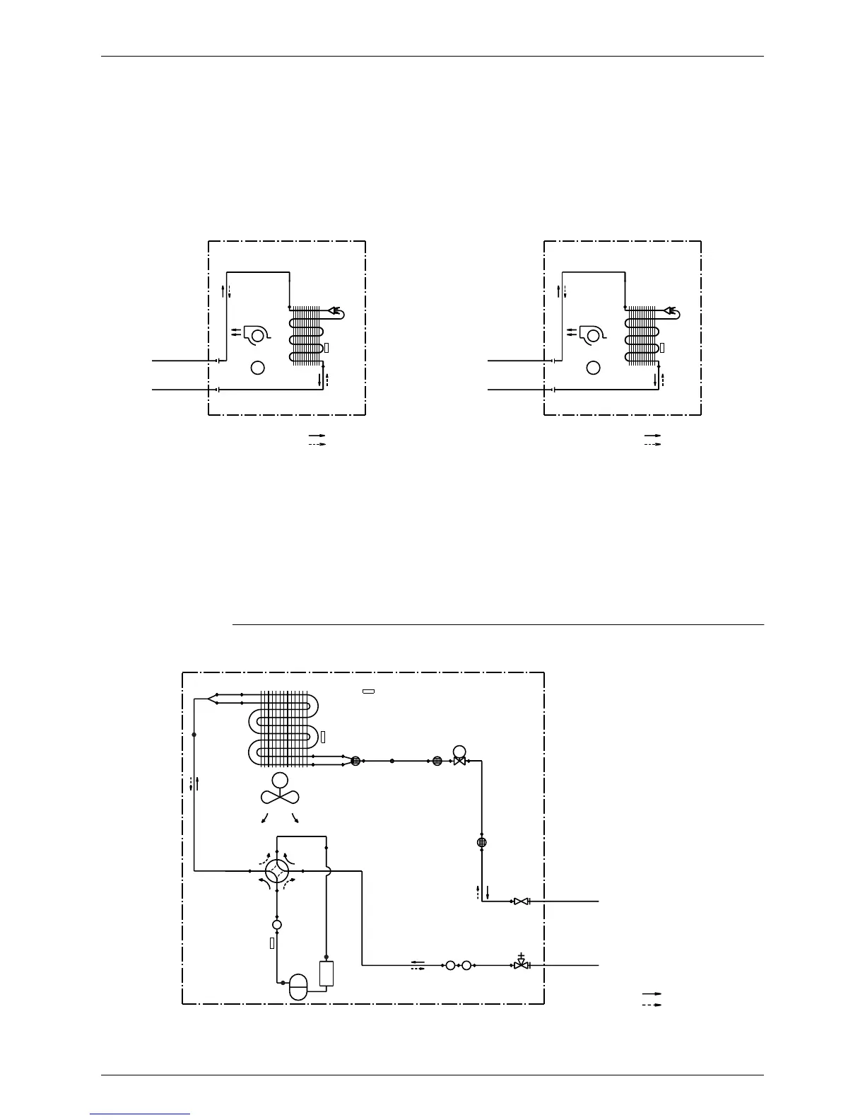
1.1 Indoor Unit
1.2 Outdoor Unit
RXG25/35J2V1B, RXG25/35K2V1B, RXG25/35K3V1B
FTXG25/35JV1BW(S)(A) FTXG50JV1BW(S)(A)
INDOOR UNIT
6.4CuT
HEAT EXCHANGER
CROSS FLOW FAN
FIELD PIPING
6.4CuT
M
FAN MOTOR
FIELD PIPING
9.5CuT
9.5CuT
REFRIGERANT FLOW
COOLING
HEATING
THERMISTOR
ON HEAT EXCH.
4D065855B
INDOOR UNIT
6.4CuT
HEAT EXCHANGER
CROSS FLOW FAN
FIELD PIPING
6.4CuT
M
FAN MOTOR
FIELD PIPING
12.7CuT
9.5CuT
REFRIGERANT FLOW
COOLING
HEATING
THERMISTOR
ON HEAT EXCH.
4D065856C
OUTDOOR UNIT
HEAT EXCHANGER
7.0CuT
7.0CuT
9.5CuT
EV
4.8CuT
6.4CuT
6.4CuT
4.8CuT
M
PROPELLER FAN
9.5CuT
9.5CuT
6.4CuT
7.9CuT
9.5CuT
MUFFLER
9.5CuT 9.5CuT
COMPRESSOR
MUFFLERMUFFLER
7.9CuT
ACCUMULATOR
REFRIGERANT FLOW
COOLING
HEATING
OUTDOOR TEMPERATURE
THERMISTOR
HEAT EXCHANGER
THERMISTOR
DISCHARGE PIPE
THERMISTOR
GAS STOP
VALVE
LIQUID STOP
VALVE
FIELD PIPING
(6.4CuT)
FIELD PIPING
(9.5CuT)
MUFFLER
WITH
FILTER
φ.4.0×ID. 2.0CuT
ELECTRONIC
EXPANSION
VALVE
MUFFLER
WITH
FILTER
MUFFLER
WITH
FILTER
FOUR WAY
VALVE
ON: HEATING
3D059586Q

Table of Contents