EasyManua.ls Logo

Daikin FWEC2T - Page 26

Daikin FWEC2T
Print Icon
To Next Page IconTo Next Page
To Next Page IconTo Next Page
To Previous Page IconTo Previous Page
To Previous Page IconTo Previous Page
Loading...
FWEC2T/4T/1026
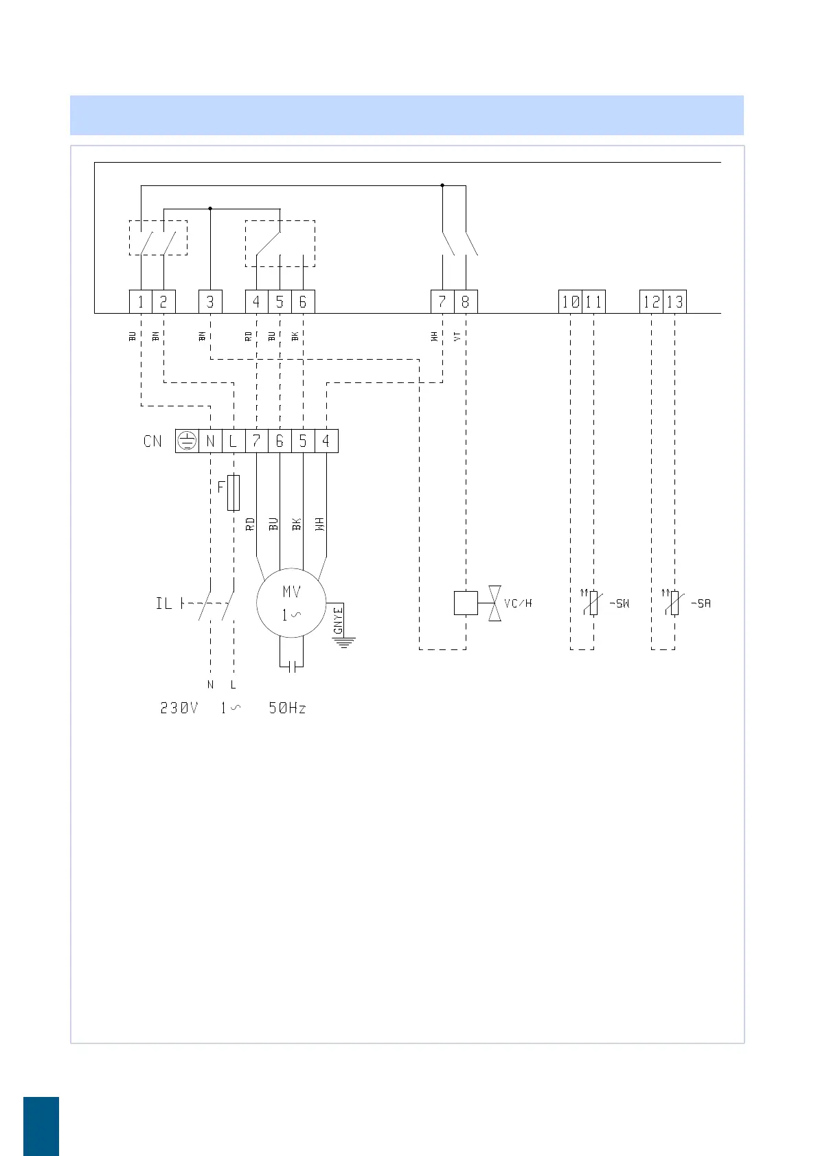
» Schema elettrico FWEC2T / Wiring diagram FWEC2T / Schéma électrique FWEC2T / Schaltplan
FWEC2T / Esquema eléctrico FWEC2T
...Collegamenti elettrici a cura dell'installatore / / ...Wirings made by supplier / / ...Branchements électriques incombant à l’installateur / /
...Stromanschlüsse seitens des Kunden / / ...Conexiones eléctricas a cargo del instalador
WH(M): Bianco = Neutro / / WH(M): White = Neutral / / WH(M): Blanc = Neutre / / WH(M): Weiß = Neutral / / WH(M): Blanco = Neutro
BK(M): Nero / / BK(M): Black / / BK(M): Noir / / BK(M): Schwarz / / BK(M): Negro
BU(M): Blu / / BU(M): Blue / / BU(M): Bleu / / BU(M): Blau / / BU(M): Azul
RD(M): Rosso / / RD : Red / / RD(M): Rouge / / RD(M): Rot / / RD(M): Rojo
GNYE: Verde/giallo / / GNYE: Yellow/green / / GNYE Jaune/Vert / / GNYE: Gelb/Grün / / GNYE: Verde/Amarillo
VT: Viola / / VT: Purple / / VT: Violet / / VT: Violett / / VT: Púrpura
MV: Motore ventilatore / / MV: Fan motor / / MV: Fan motor / / MV: Motor Lüfter / / MV: Motor ventilador
SA: Sonda temperatura ambiente / / SA: Ambient temperature probe / / SA: Sonde température ambiante / / SA: Umgebungstemperaturfühler / / SA: Sonda de temperatura
ambiente
SW: Sonda temperatura acqua / / SW: Water temperature probe / / SW: Sonde température eau / / SW: Wassertemperaturfühler / / SW: Sonda de temperatura del agua
COM: Comune per uscite (ON-OFF o 0-10V) / / COM: ON/OFF common outputs (ON-OFF or 0-10V) / / COM: Commun sorties (ON-OFF o 0-10V) / / COM: Gemeinsam Ausgänge
(ON-OFF o 0-10V) / / COM: Salidas comunes (ON-OFF o 0-10V)
VC: Valvola acqua fredda / / VC: Cold water valve / / VC: Vanne eau froide / / VC: Ventil kalt wasser / / VC: Válvula agua fría
VH: Valvola acqua calda / / VH: Hot water valve / / VH: Vanne eau chaud / / VH: Ventil warm wasser / / VH: Válvula agua caliente
CN: Morsettiera / / CN: Terminal board / / CN: Bornier / / CN: Klemmenbrett / / CN: Caja de bornes
IL: Interruttore di linea (non fornito) / / IL: Circuit breaker (not supplied) / / IL: Interrupteur de ligne (non fourni) / / IL: Hauptschalter (nicht mitgeliefert) / / IL:Interruptor de línea
(no suministrado)
F: Fusibile (non fornito) / / F: Fuse (not provided) / / F: Fusible (nun fournie) / / F: Sicherung (nicht mitgeliefert) / / F: Fusible (no suministrado)
L: Fase / / L: Phase / / L: Phase / / L: Phase / / L: Fase
N: Neutro / / N: Neutral / / N: Neutre / / N: Neutral / / N: Neutro

Related product manuals