EasyManua.ls Logo

Daikin FWKE-E - Page 126

Daikin FWKE-E
131 pages
Print Icon
To Next Page IconTo Next Page
To Next Page IconTo Next Page
To Previous Page IconTo Previous Page
To Previous Page IconTo Previous Page
Loading...
122
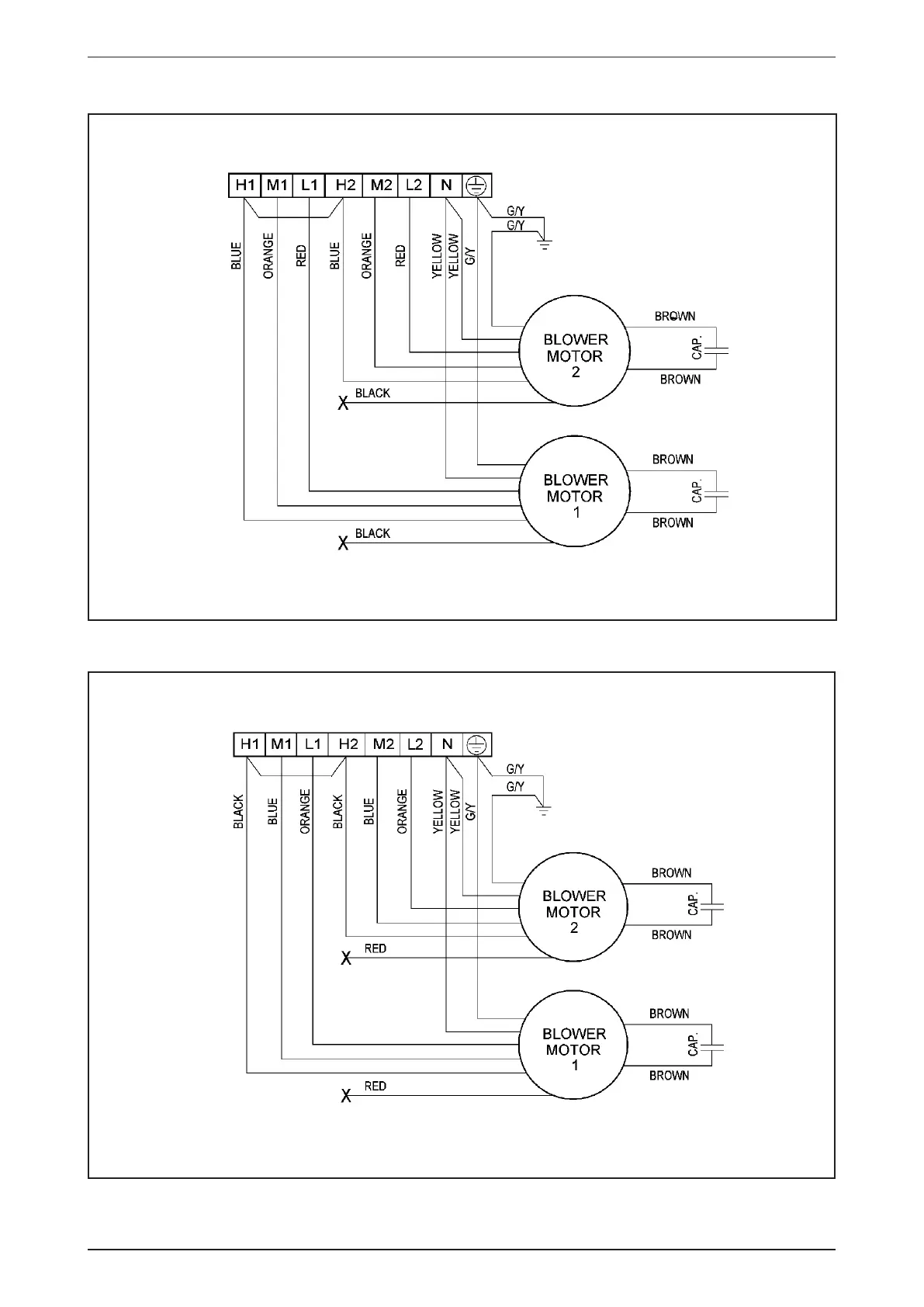
Wiring Diagrams
Model: FUD20B
Model: FUD25B

Related product manuals