EasyManua.ls Logo

Daikin MPS015B - Page 19

Daikin MPS015B
52 pages
Print Icon
To Next Page IconTo Next Page
To Next Page IconTo Next Page
To Previous Page IconTo Previous Page
To Previous Page IconTo Previous Page
Loading...

www.DaikinApplied.com 19 IM 972-2 • MAVERICK I ROOFTOP SYSTEMS
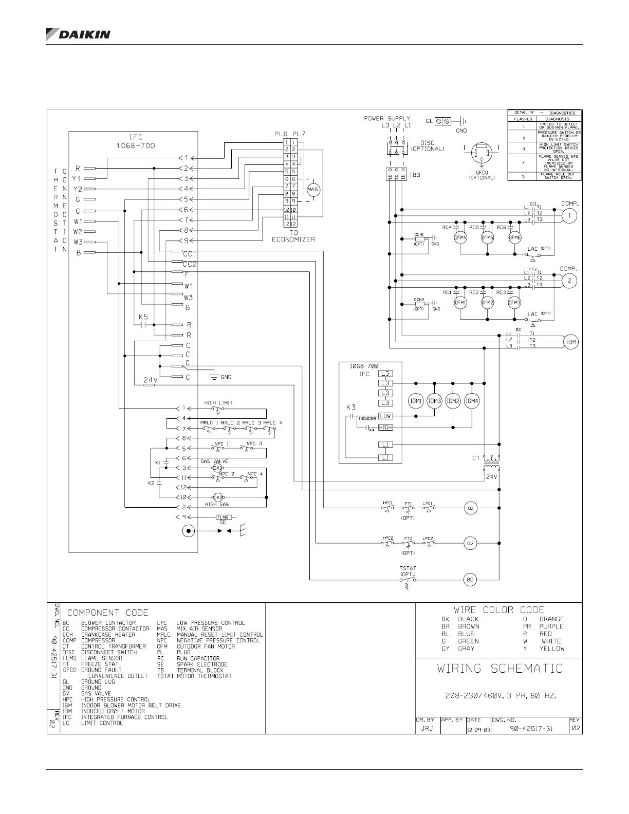
Figure 20: Wiring Diagram: MPS 015B – 025B, 208-230/460 V (Cooling Only)

Table of Contents

Related product manuals