EasyManua.ls Logo

Daikin RCS 06F - Page 28

Daikin RCS 06F
34 pages
Print Icon
To Next Page IconTo Next Page
To Next Page IconTo Next Page
To Previous Page IconTo Previous Page
To Previous Page IconTo Previous Page
Loading...
28 IM 962-2
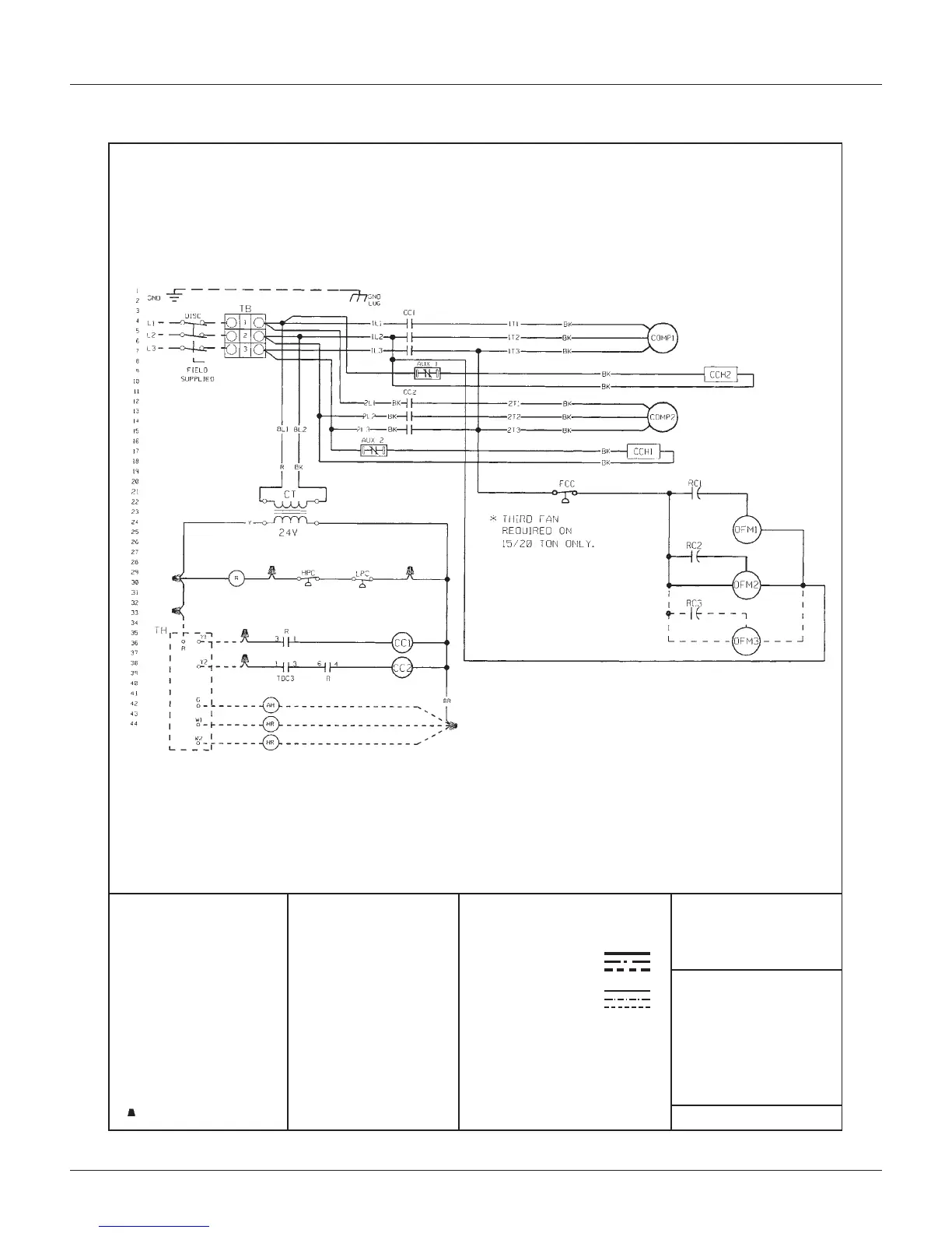
Wiring Diagrams
Wiring Diagrams
Figure 25: Typical Wiring Schematic - RCS 11F-20F
COMPONENT CO DE
CC COMPRESSOR CO NTAC TOR
CCHCR ANKCAS E HEAT ER
COMP COMPRESSOR
CT CONTROL TRANSFORMER
DISC DISCO NNECT SW ITCH
FC FAN MOTOR CO NTAC TOR
FCCFAN CY CLE CONTROL
GNDGROUND
HR HEATER RELAY AS NEEDED
HPCHIGH PR ESSURE CONTROL
LPCLOW PR ESSURE CONTROL
MS METAL ST RIP
OFMOUTDOOR FAN MOTOR
RC R UN CA PA CITOR
RRELAY
TB TERMINAL BLOCK
TH TH ER MOSTAT HEAT ING
TDCTIME DE LAY CO NTROL
THMMOTOR SAFETY TH ER MOSTAT
TORTHERMAL OV ER LOAD RE LAY
WIRE NUT
NOTES:
1. RE PL AC EMENT WIRE & FUSES
MUST BE SAME TY PE & SIZE
AS OR IG INAL.
2. UNIT MUST BE PE RMANENTLY
GROUNDED AND CONFOR M
TO N. E. C. AND LO CAL CO DES.
3. MAXIMUM IN RUSH VA NOT TO
EXCEED 92 VA .
4. MINIMUM WIRE SIZE BASED
ON 75 DE GREES C INSULATION
COPPER WIRE.
WIRING IN FORMATION
1. LINE VOLTAGE
FACTORY STANDARD
FACTORY OP TION
FIELD INSTALLED
2. LOW VO LTAGE
FACTORY STANDARD
FACTORY OP TION
FIELD INSTALLED
3. RE PL AC EMENT WIRE
MUST BE TH E SAME SIZE AND TY PE OF
INSULATION AS OR IGINAL (105°C MIN.)
WARNING
CABINET MUST BE PE RMANENTLY
GROUNDED AND CO NFORM TO I. E. C. ,
N. E. C. (C.E.C.-CANADA) AND LO CAL .
CODESAS APPLIC ABLE.
90-42663-08-03
WIRING SCHEMAT IC
CONDENSING UNIT
208-230,
460, 575, 3 PH, 50 & 60 Hz
380, 3 PH, 60 Hz
WIRE COLOR CODE
BK BLACK O—ORANGE
BR BROWN PR PURPLE
BL BLUE R—RED
G—GREEN W—WHITE
GY GRAYY—YE LLOW
AH
SUPPLY FAN

Related product manuals