EasyManua.ls Logo

Daikin RCS 06F - Wiring Diagrams

Daikin RCS 06F
34 pages
Print Icon
To Next Page IconTo Next Page
To Next Page IconTo Next Page
To Previous Page IconTo Previous Page
To Previous Page IconTo Previous Page
Loading...
IM 962-2 27
Wiring Diagrams
Wiring Diagrams
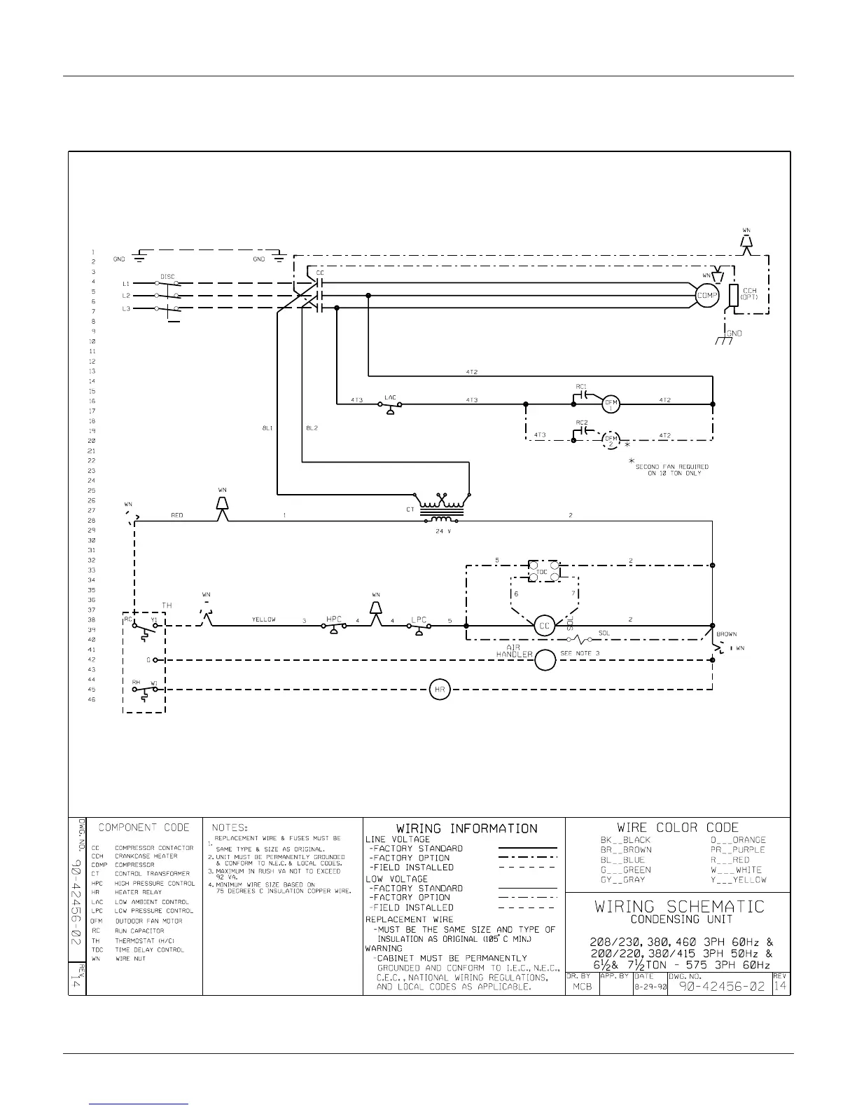
Figure 24: Typical Wiring Schematic - RCS 06F-10F

Related product manuals