EasyManua.ls Logo

Daikin RMX140JVMC8 - Refrigerant System and Function of Functional Parts of Outdoor Unit; Of Outdoor Unit

Daikin RMX140JVMC8
410 pages
Print Icon
To Next Page IconTo Next Page
To Next Page IconTo Next Page
To Previous Page IconTo Previous Page
To Previous Page IconTo Previous Page
Loading...
Si18-201 Refrigerant System and Function of Functional Parts of Outdoor Unit
Main Functions 103
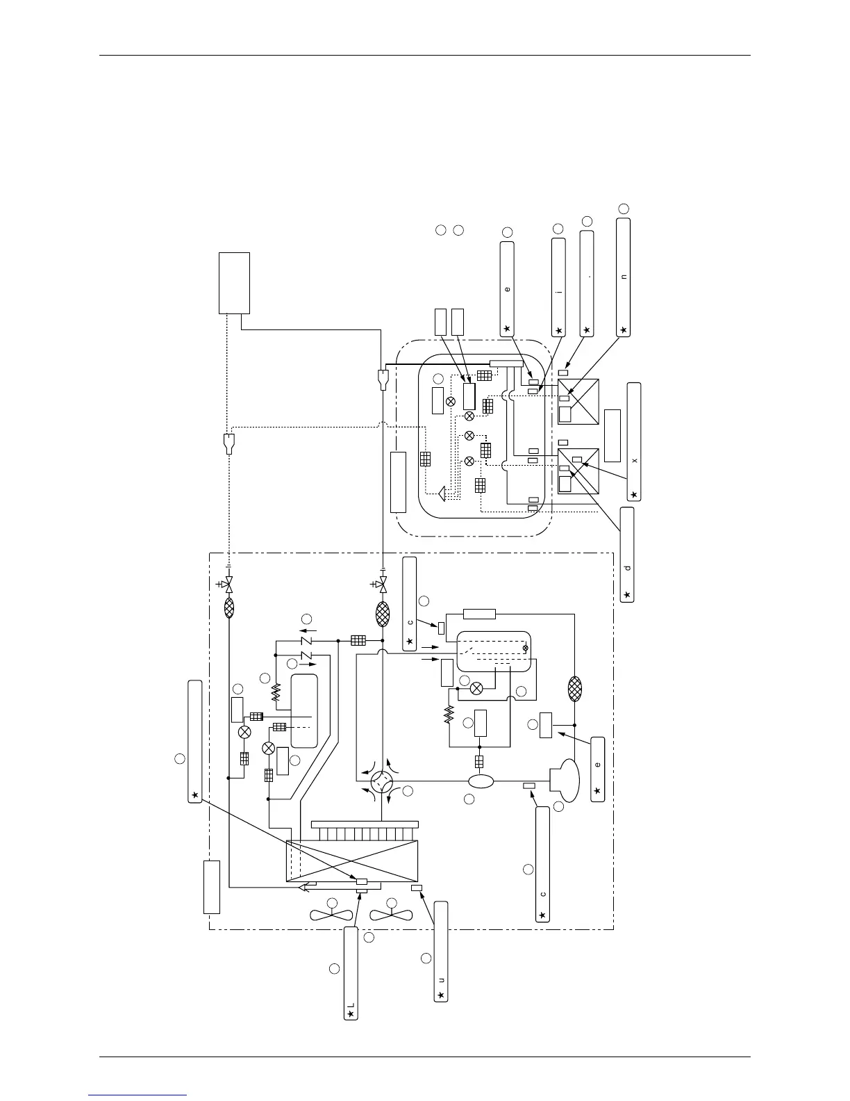
1. Refrigerant System and Function of Functional
Parts of Outdoor Unit
1.1 Refrigerant System and Function of Functional Parts of
Outdoor Unit
5
EVL
EVG
JT100F-VD
LPS
HPS
EVP
EVn
EVU
EVT
EVH
BP unit
SARA
(M1001)
12
14
13
K
J
H
I
G
10
9
8
D
6
3
2
F
1
B
11
A
4
M
M
7
E
C
Outdoor unit
H
Heat exchanger thermistor
Refnet joint
Filter
Filter
Filter
Refnet joint
H
Liquid pipe termistor
H
Outdoor air thermistor
BP unit
H
Suction thermistor
Oil separator
Flexible tube
H
Discharge pipe thermistor
H
LP sensor
Filter
H
Liquid pipe termistor
H
Heat exchanger thermistor
Indoor unit
H
Gas pipe thermistor
During operation
During stopping
H
Liquid pipe thermistor
H
Room temp. thermistor
H
Heat exchanger thermistor

Table of Contents