EasyManua.ls Logo

Daikin Templifier TGZ - Page 8

Daikin Templifier TGZ
44 pages
Print Icon
To Next Page IconTo Next Page
To Next Page IconTo Next Page
To Previous Page IconTo Previous Page
To Previous Page IconTo Previous Page
Loading...
IM 1137-4 • TEMPLIFIER
®
MODEL TGZ 8 www.DaikinApplied.com
InsTallaTIon
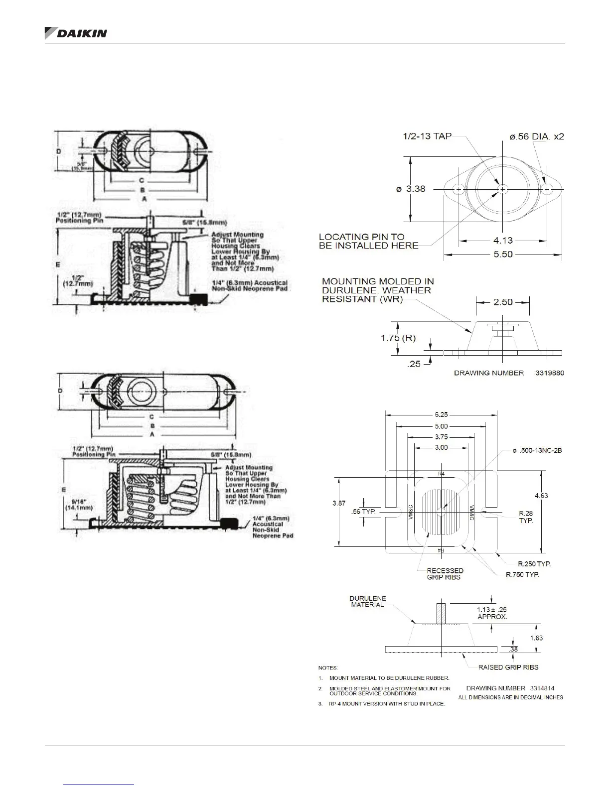
NOTE: Refer to Figure 2 on page 6 for locating isolators.
NOTE: For spring-ex mountings, CP2E have two springs per isolator housing, CP1E have one spring per housing.
Figure 3: Spring Flex Mounting (CP-1) Isolator Dimensions
Figure 4: Spring Flex Mounting (CP-2) Isolator Dimensions
Figure 5: Rubber-in-Shear Mounting (RP-3) Isolator
Dimensions
Figure 6: Rubber-in-Sheer Mounting (RP-4) Isolater
Dimensions

Related product manuals