EasyManua.ls Logo

Daikin WGZ030DW - Refrigerant Piping and Pressure Drop; Refrigerant Piping Installation Guidelines

Daikin WGZ030DW
112 pages
Print Icon
To Next Page IconTo Next Page
To Next Page IconTo Next Page
To Previous Page IconTo Previous Page
To Previous Page IconTo Previous Page
Loading...
www.DaikinApplied.com 13 IOM 1322 • WATER-COOLED SCROLL COMPRESSOR
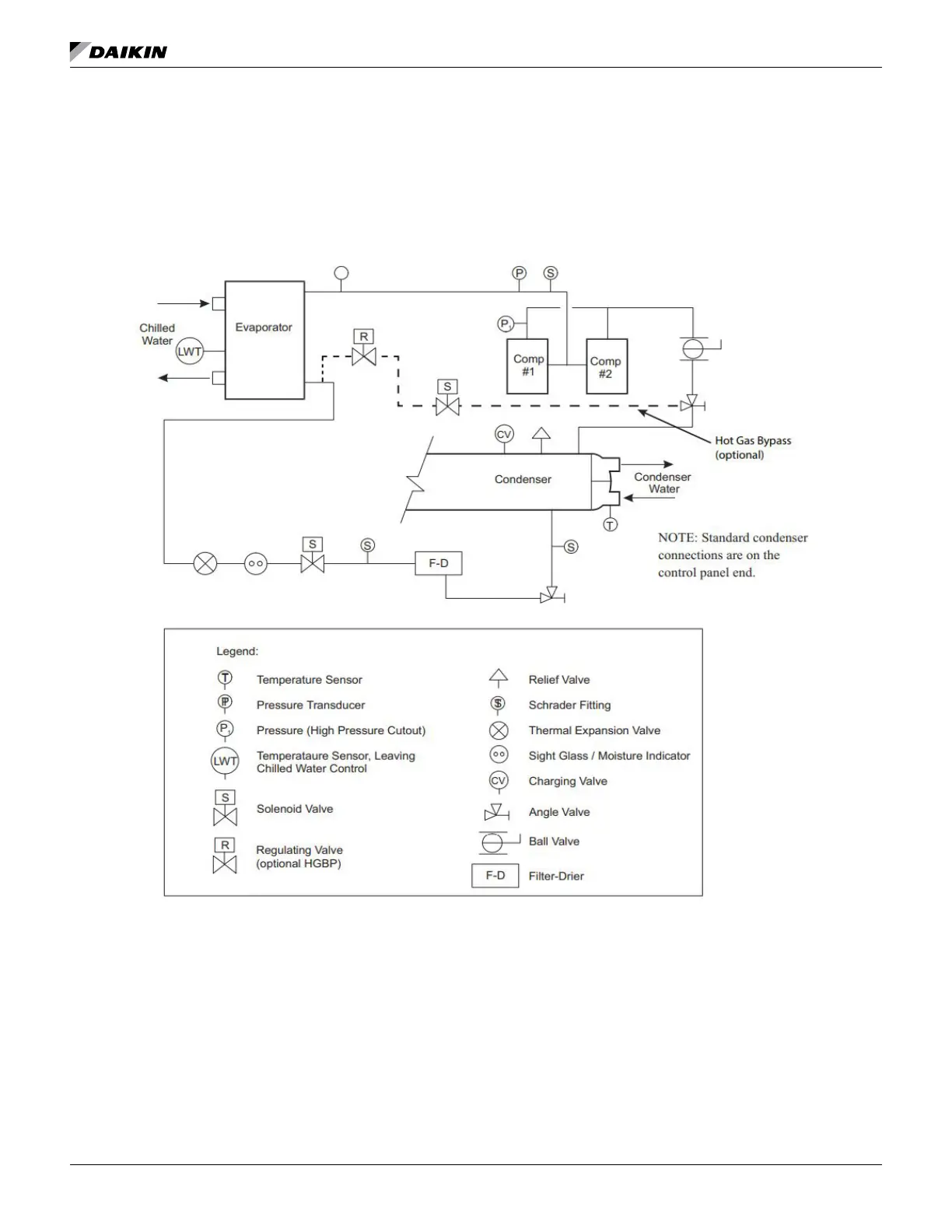
Packaged Unit Refrigerant Piping
WGZ 030DW to 130DW have two refrigerant circuits, two
tandem scroll compressors (total of four), a single twocircuited
brazed plate evaporator, a single two-circuited watercooled
condenser, interconnecting refrigerant piping and a control
panel with associated sensors and transducers. Models WGZ
150DW to 200DW have two trio-compressors (total of 6) and
a shell-and-tube evaporator. Packaged units are provided with
complete refrigerant piping and full operating refrigerant charge
at the factory.
Figure 6: Schematic Piping Diagram (One of Two Circuits for Brazed Plate Evaporators)
Remote Condenser Refrigerant Piping
Refrigerant piping, to and from the unit and remote
components, should be sized and installed according to the
latest ASHRAE Handbook, industry standards, and local
code requirements. It is important that the unit piping be
properly supported with sound and vibration isolation between
tubing and hanger, and that the discharge lines be looped
at the condenser and trapped at the compressor to prevent
refrigerant and oil from draining into the compressors. Looping
the discharge line also provides greater line exibility.
Refrigerant piping is permitted to be installed below ground
provided the following conditions are met:
Piping or pipe insulation is NOT in contact with the
ground
Piping is installed in an open or enclosed chase that
allows for inspection and leak testing
Piping is sized and installed per ASHRAE guidelines


Other manuals for Daikin WGZ030DW

Related product manuals