EasyManua.ls Logo

Danfoss EKC 202A - Connections

Danfoss EKC 202A
20 pages
Print Icon
To Next Page IconTo Next Page
To Next Page IconTo Next Page
To Previous Page IconTo Previous Page
To Previous Page IconTo Previous Page
Loading...
16 Manual RS8DZ702 © Danfoss 03-2012 EKC 202 / 302
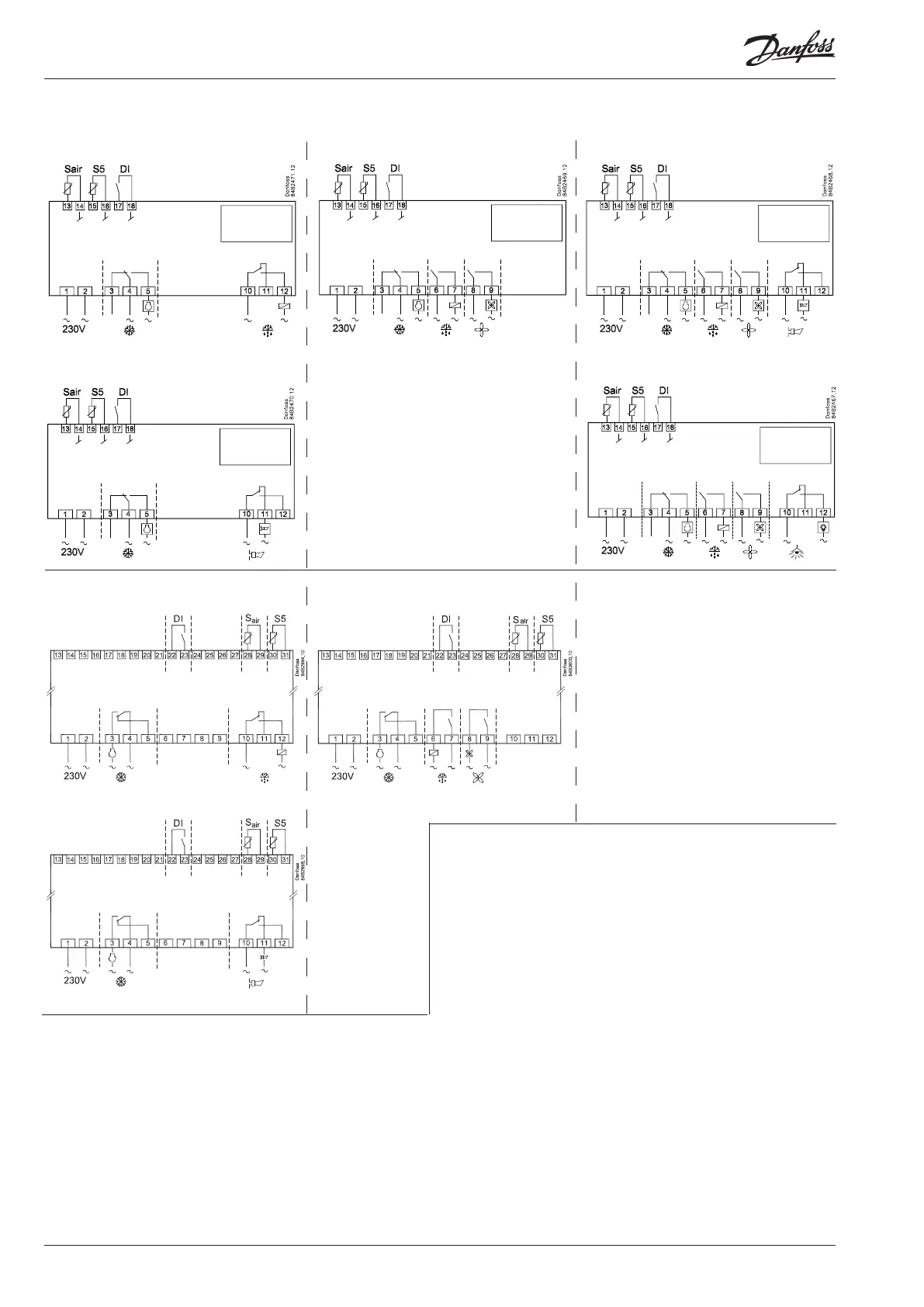
Connections
Power supply
230 V a.c.
Sensors
Sair is thermostat sensors.
S5 is a defrost sensor and is used if defrost has to be stopped
based on temperature. It may however also be used as product
sensor or condenser sensor.
Digital On/O signal
A cut-in input will activate a function. The possible functions are
described in menu o02.
Relays
The general connections are:
Refrigeration. The contact will cut in when the controller demands
refrigeration
Defrost.
Fan.
Alarm. The relay is cut out during normal operation and cuts
in in alarm situations and when the controller is dead
(de-energised)
Light. The contact will cut in when the controller
demands light.
Electric noise
Cables for sensors, DI inputs and data communication must be
kept separate from other electric cables:
- Use separate cable trays
- Keep a distance between cables of at least 10 cm
- Long cables at the DI input should be avoided
EKC 202A
EKC 302A
EKC 202B
EKC 302B
EKC 202C
or
or
or

Other manuals for Danfoss EKC 202A

Related product manuals