EasyManua.ls Logo

Danfoss VLT 2800 Series - EMC-Correct Electrical Installation

Danfoss VLT 2800 Series
103 pages
Print Icon
To Next Page IconTo Next Page
To Next Page IconTo Next Page
To Previous Page IconTo Previous Page
To Previous Page IconTo Previous Page
Loading...
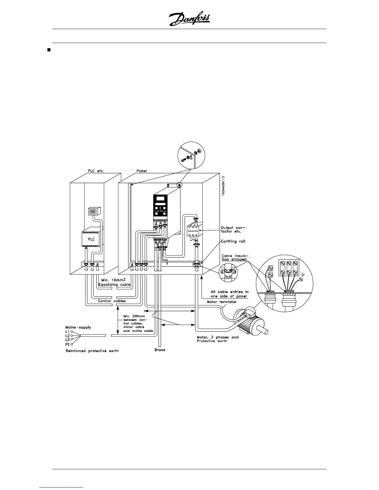
EMC-correct electrical installation
General points to be observed to ensure EMC-correct
electrical installation.
-
Use only screened/armoured motor cables
and screened/armoured control cables.
-
Connect the screen to earth at both ends.
-
Avoid installation with twisted screen ends
(pigtails), since this ruins the screening effect
at high frequencies. Use cable clamps in-
stead.
-
It is important to ensure good electrical con-
tact from the installation plate through the
installation screws to the metal cabinet of the
frequency converter.
-
Use starwashers and galvanically conductive
installation plates.
-
Do not use unscreened/unarmoured motor
cables in the installation cabinets.
The illustration below shows EMC-correct electrical in-
stallation, in which the frequency converter has been
fitted in an installation cabinet and connected to a PLC.
VLT
®
2800 Series
64 MG.27.A2.02 - VLT
®
is a registered Danfoss trademark

Other manuals for Danfoss VLT 2800 Series

Related product manuals